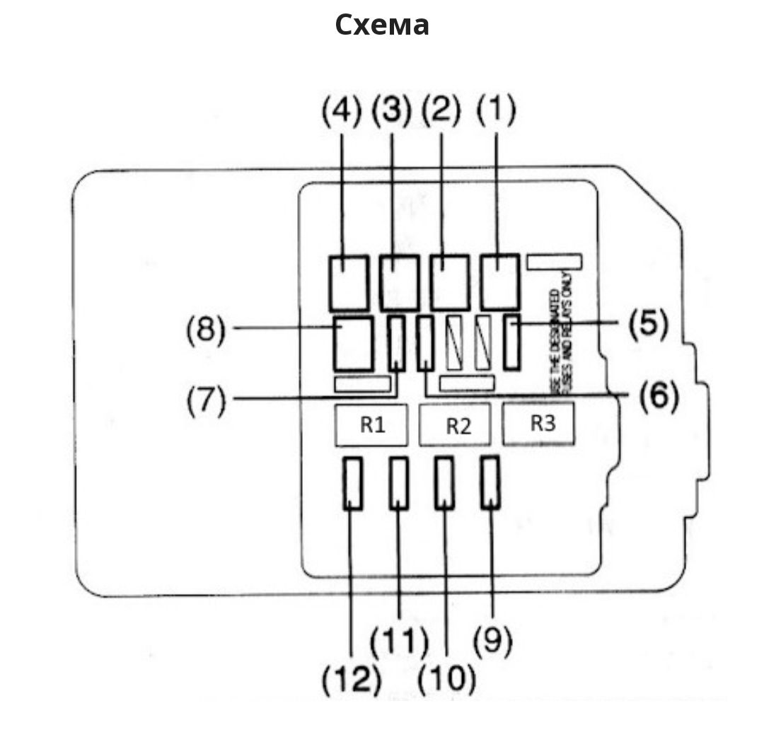
Предохранители jimny
Ракицкий Борис Романович Художник Литография Фото
Программа начальных классов по русскому языку
Марго Робби Слитые Фото
Poco x3 pro gb
Курс рубля на июль 2025
Комбо карты хомяк на 19
Образец договора на оказание юр услуг
Live pachinko crazypachinko durak na dengi
Но не о чем
Программа передач на сегодня усолье сибирское все
Lee so
Постелил коврик
Только мы аккорды
Предохранители jimny 101 фотографий



































































































