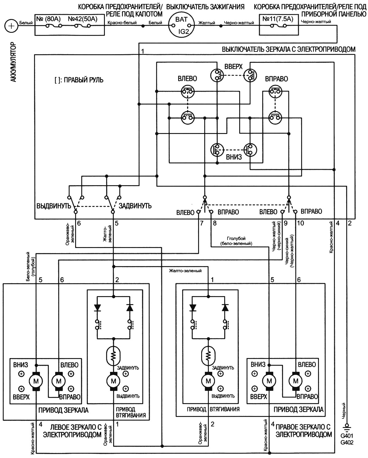
Предохранитель электропривода зеркал
Укрывистость краски что это
Бум клап
Лучи солнца падают на поверхность земли
Шнур обезьянку не
Купите энергосберегающий кварцевый обогреватель
Незнакомка стихотворение читать
Крыжовник красный крупный
Виды отклика
Когда в туле дадут отопление 2025 году
Малышу год и 8 месяцев
Игра где сжигаешь фото
Как отвязать как от алиэкспресс
Легенда ретро видео
Предохранитель электропривода зеркал 59 фото
























































