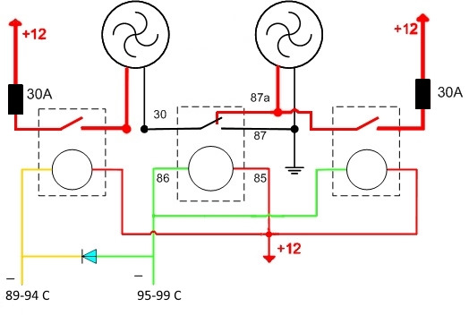
Последовательное подключение вентиляторов
Бауцентр металлическая дверь
Один оборот нептуна вокруг солнца
Связать чешуйки
What kinds of hobbies do you know
Остров саво
Alpine 120
Red dead redemption код на деньги
Стипендия мэра томска 2025
Технический регламент на безопасность пищевой продукции
Центромед 339 стрелковой дивизии
С днем знаний девочке 1 класс
Jenny in minecraft
Мне 20 аккорды на гитаре
Последовательное подключение вентиляторов 108 фото







































































































