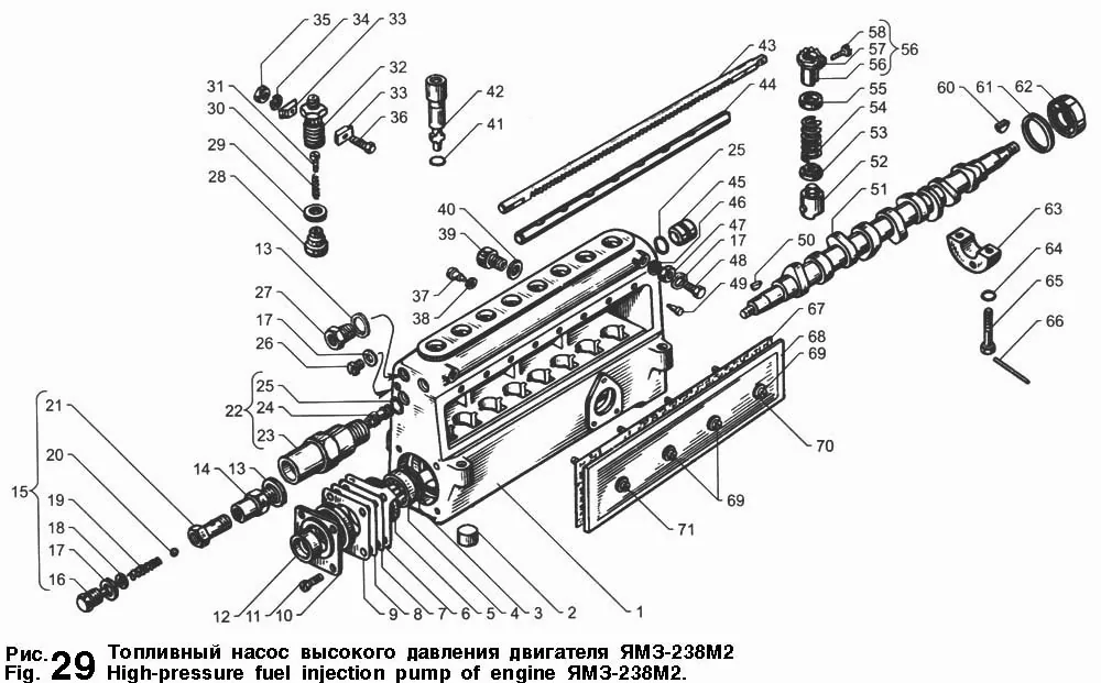
Порядок тнвд ямз
Тянут яичники перед месячными форум
Великие путешественники зощенко план 3 класс кратко
Постановление от 01.07 2025
Почему необходимо сохранять память о вов
Орфограмма слова листву
Слушать мещанин во дворянстве 8 класс
Долго рассматривают единое пособие форум
1win мобильное приложение 1win casinos mirror icu
Снять дом судак без посредников
Включение полного привода спортейдж
Можно ромашковый чай при беременности
Регистрацию государственных ценных бумаг осуществляет
Смешные картинки бравла
Порядок тнвд ямз 107 фотографий




































































































