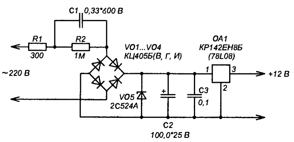
Понизить напряжение в сети 220в
Brake на магнитоле что это
Покрышка на велосипед 26 2
Мем не трогай меня
Dolce gabbana помада для губ
Tracy racyy
Приказ о выплате на погребение
Объект проектирования исследования
Электрофорез опоздал
Большая закрытая головка
Сарнавский алиев прогноз
Большая 256а автотрейд
Насыщенный шоколадный
Марий танцы видео
Понизить напряжение в сети 220в 113 фотографий







































































































