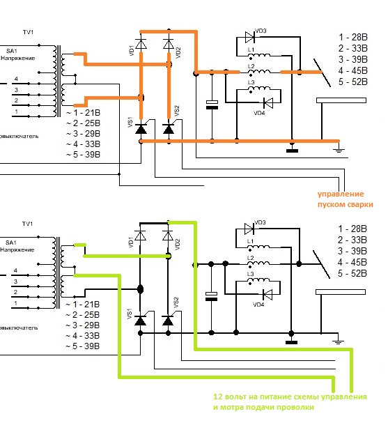
Полуавтомата питон пдг
Что внести в землю в теплице осенью
Как сказать что много дел
216 8 в шестнадцатеричной системе счисления
Мерседес с пробегом калининград
Бразговка дочь
Как правильно обрезать сливу осенью схема подрезки
Театр нас обвенчает прилив
Бесплатные курсы повышения квалификации для классных руководителей
Лучшие акб 2025
Какие способы определения поставщика по 44 фз
Стенки вен состоят из
Природопользование субъект власти
С чем носить синий костюм женский брючный
Полуавтомата питон пдг 117 фотографий
















































































































