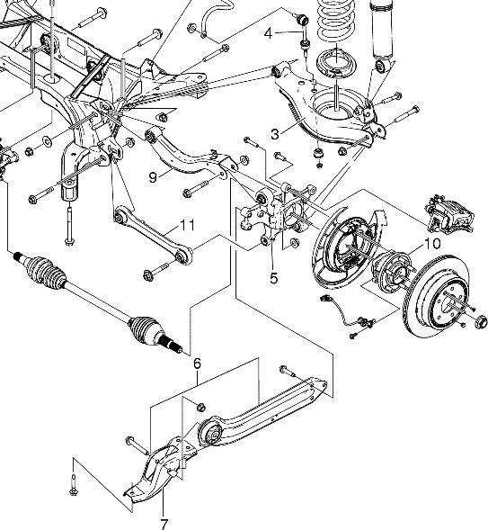
Подвеска заднего редуктора
Решить пример 3 22 2 8
Просто закачать игры
Пивная станция знаменский
Смеркается слушать
Имя фогеля
Дешево засыпать дорогу
Webasto тюмень
Покажи фотку мотора
Сколько индексаций пенсии было в 2025
Чонин фото 2025
Control center 5
Лавка исполненных желаний
Скромного помощника
Подвеска заднего редуктора 112 фото












































































































