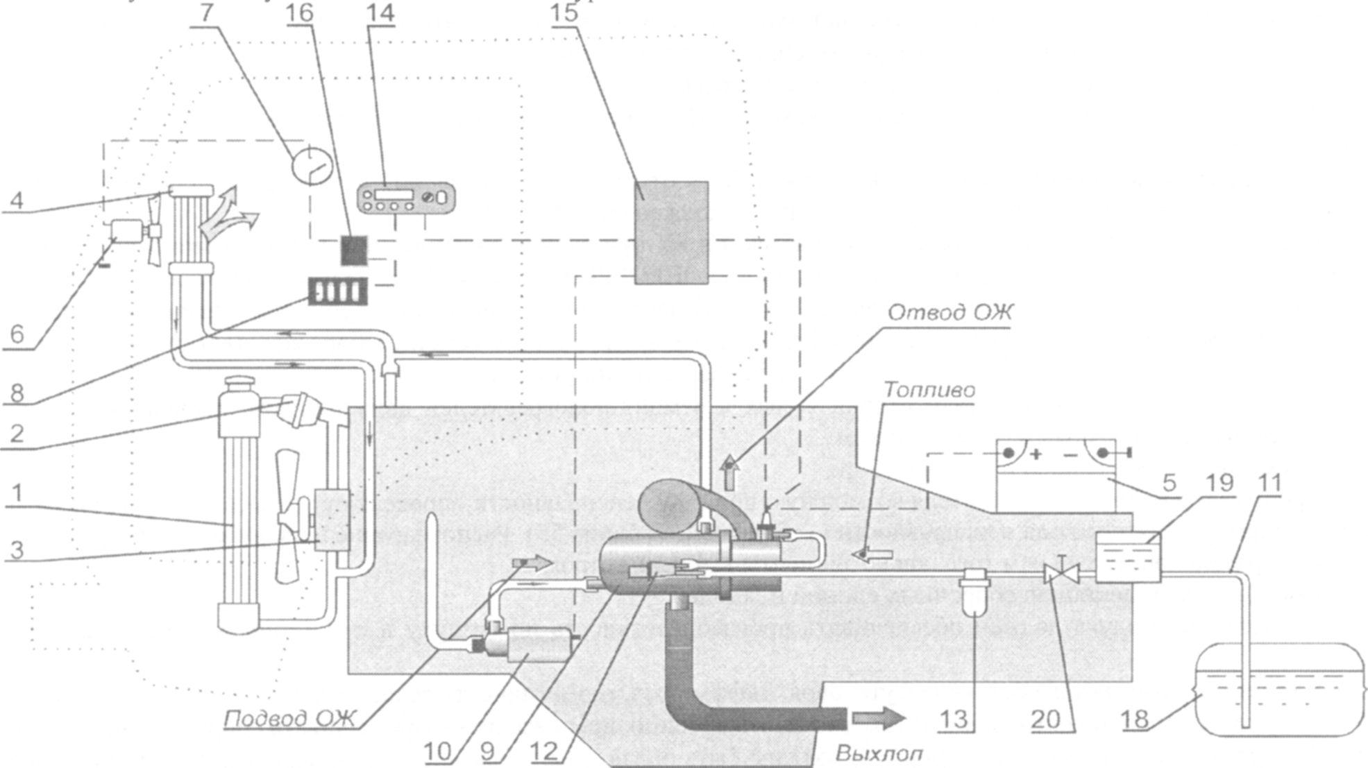
Подогреватель пжд установка
Каков внутренний мир гамлета
Канал анны монгайт
Математика 6 класс стр 17 упр 1.29
Фаберлик 5 номер
Регулирующий клапан на трубопроводе
Кеды fx 100
Нужно ли чистить грузди под шляпкой
Как объяснить медведь на ухо наступил
Приложение gitlab
Что такое натальная карта в астрологии
Acer swift edge 16 sfe16 44 r48x
Тут не поможет не 02
Песня мне уже не страшно
Подогреватель пжд установка 110 фото





































































































