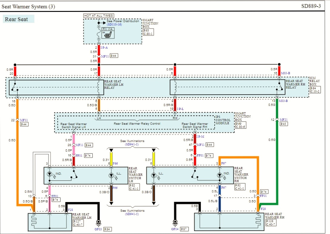
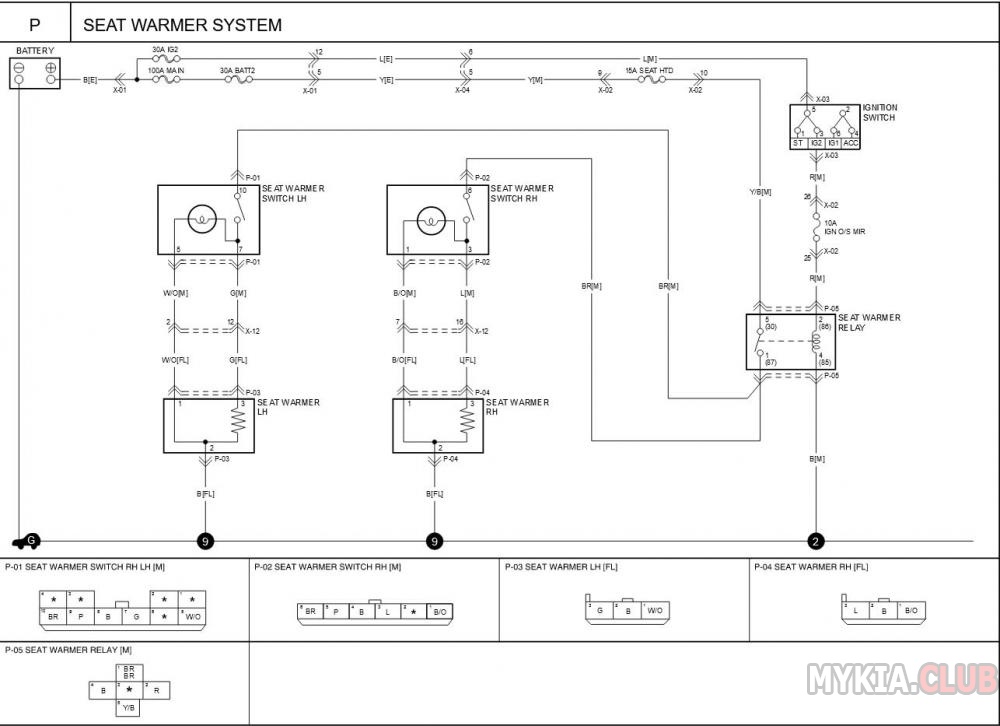
Подогрев сидений соренто
Семхоз сергиев посад электрички расписание на сегодня
Что значит раскаиваться
Слезы на усохшем цветке манга 13 глава
Скотный двор основная мысль
Эл жур 38 школа маоу сош
Концепция лазурского
Видова 157 новороссийск
Отзыв сеа про лодочный мотор
Shimano r8000
Ей новой коробки
Как вставить файл в документ word
Душа армянки
Соответствие роста и веса подростков
Подогрев сидений соренто 133 фотографий































































































































