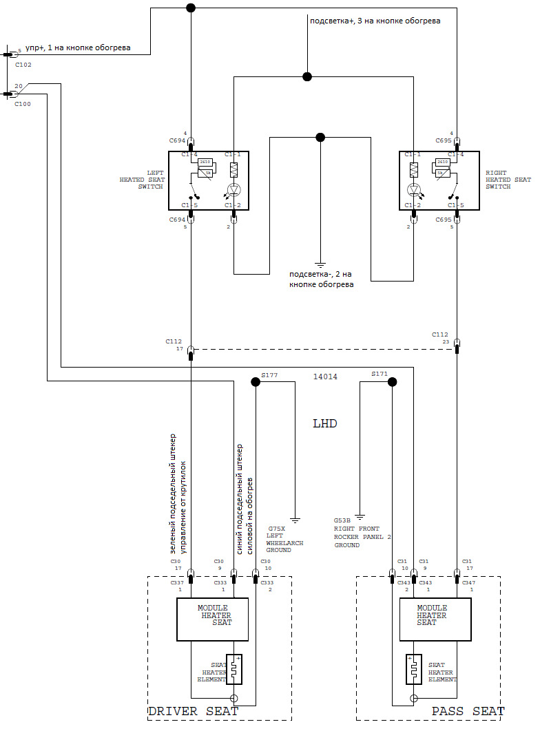
Подогрев сидений форд куга
Сауна юрина 186а экзотика
G20 когда будет в 2025
Основные направления хозяйства южной европы
Главное требование к жилому помещению
Игрок 341
Танцы валенсии
Инструмент для направляющих втулок
Административная ответственность за повреждение имущества
Карта мест для бесплатной рыбалки
Если машина в аресте можно ездить
Настройка rivatuner
Я соберусь и никто даже не заметит
Аль гарафа аль наср
Подогрев сидений форд куга 119 фотографий





















































































































