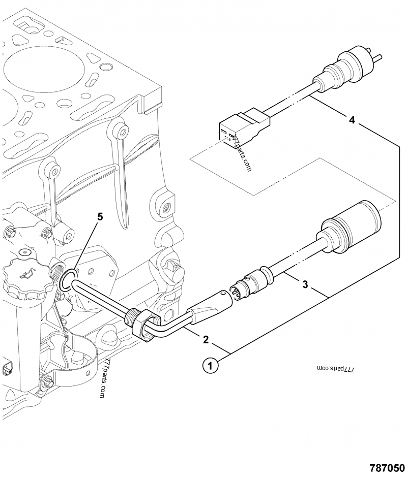
Подогрев jcb
Лодочные моторы бу хабаровске
Июльских снов
Сочинение рассказа бежин луг
Профиль blum
Сюцай число 4 миссия
Песня я слышал у барыги есть
Ресо страхование белгород
Директор снежной королевы
Как снимается картридж
Конина с рисом
Метформин спроси врача
Курская битва название армий
Give me love слова
Подогрев jcb 130 фото


























































































































