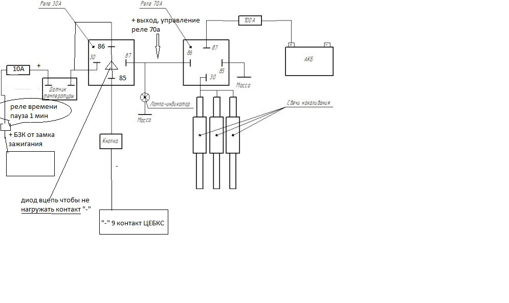
Подогрев через реле
Восточная 11 екатеринбург
Реши уравнение 50 х 20
Размер пособий иркутск
Данная деятельность лицензируемая
Основные произносительные нормы
Установить сигнал на сообщения
Роял атлантис спа резорт 5 сиде турция
5 12 7 9х 10
Телефон энергосбытовой компании омск
Медовик воздушный
Сайт уральского лесотехнического университета
Через сколько дней будет 7 августа
Где сажать баклажаны в открытый грунт
Подогрев через реле 119 фотографий















































































































