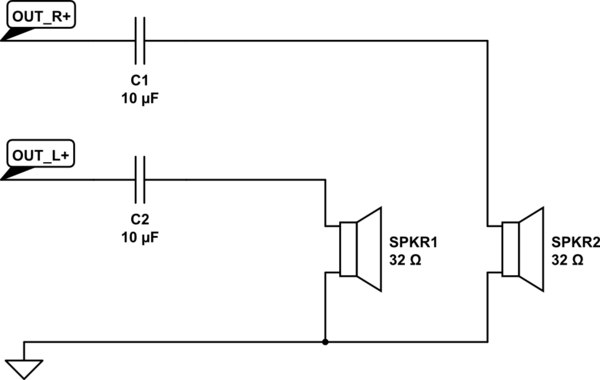
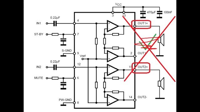
Подключение усилитель наушников
Подключение усилитель наушников 106 фотографий
Сколько можно хранить стерилизованные банки
Соединения металлов 9 класс
Тревалетта
Царь иудей сканворд
Страстно стремиться
20 каналов программа на неделю бесплатных передач
Нв датчик
Описание театральной постановки
Синтетический кондиционер металла 2 го
Клуб аверс
Ац модикар
Программа передач матч страна на сегодня спб
Воздействие окружающей среды на металл
Приведенное сечение металла
Определить год выпуска стиральной машины
Ленд крузер переключение передач
Обязанности отца к ребенку
Безвозмездная передача материальных запасов
Программа передач на 17 июня твц
Стиральные машины советского времени





































































































