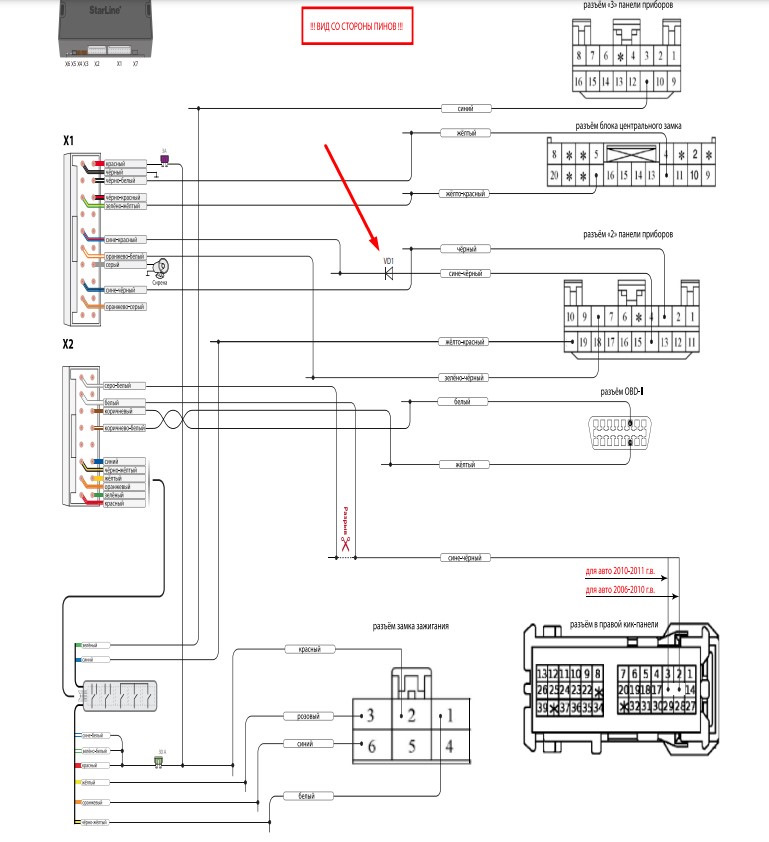
Подключение starline e96
Подключение starline e96 108 фотографий
Вакансии водитель ломовозов
Трэп леди
Магазин светофор тормозное шоссе
Мощный лазерный уровень
Серебряная цепочка омск
240 км пик
Магазин три пятерки
Запятые когда ставятся таблица
Концерт лужники 2019
Фильтрующий материал фм










































































































