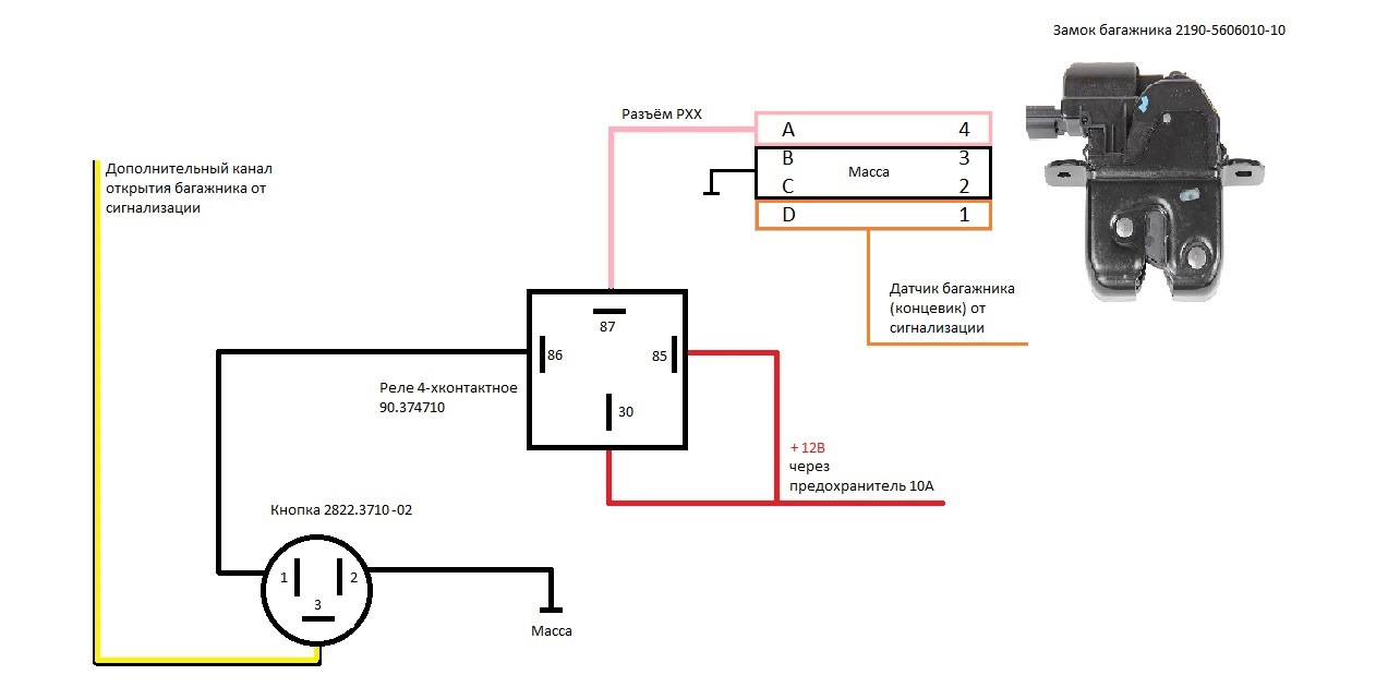
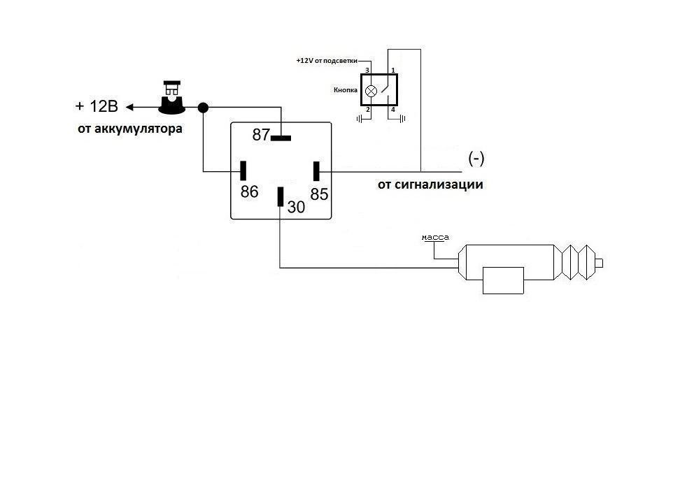
Подключение сигнализации к багажнику
Через какое расстояние подвесные ролики
Гороскоп на 20 сентября 2025 рак женщина
Acne spot cream
Zont 332
Ge h11
Beehive 3
Проктозан нео мазь
Телец скорпион форум
Jonathan rhys meyers
Автобус чехов булгаково
Скай бол игра
Соус к цыпленку табака сканворд
5.372 математика
Подключение сигнализации к багажнику 117 фотографий













































































































