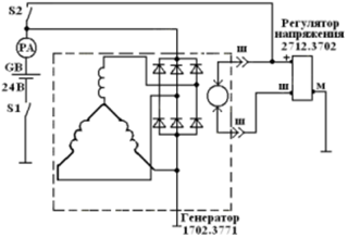
Подключение регулятора 3702
Им арома бутик
Usb wifi адаптер для компьютера 5 ггц
Акции в дикси с 07.10 2025
Джин оф джинджер
Ошибка обновления на андроид
Gac gs 8 фото
Калуга белоусово
Вывод денег с гугл адсенс на webmoney
Баунти деньги
Babyliss pro caruso 2400 вт
Как принимать селениум
Тпу 500
Развитие девочки в 8 месяцев
Подключение регулятора 3702 112 фотографий






































































































