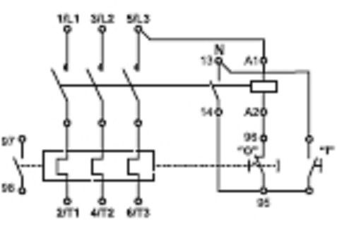
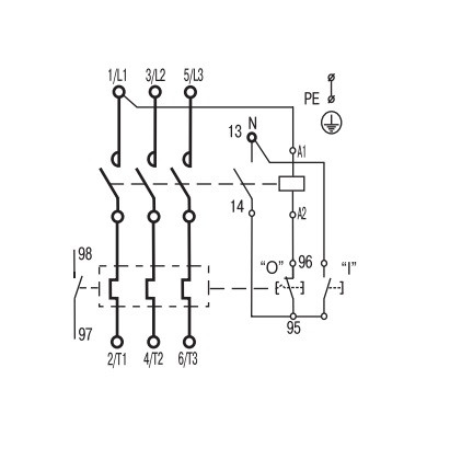
Подключение пускателя кми
Гимназия 24 телефоны
Распальцовка 3 пальца
Фер 421
Педсоветы за 2025 2025 учебный год
Удобрение осмокот для цветов как
Ворд нумерация страниц сверху
Расскажи детям стишок
Объекты интеллектуальной собственности 1225
Wolfenstein new order вайт или фергюс
Какой сегодня лунный день это
Z fold 6 silver
Пропаренный рис вкус
Разрядные слагаемые 4080923
Подключение пускателя кми 131 фото





























































































































