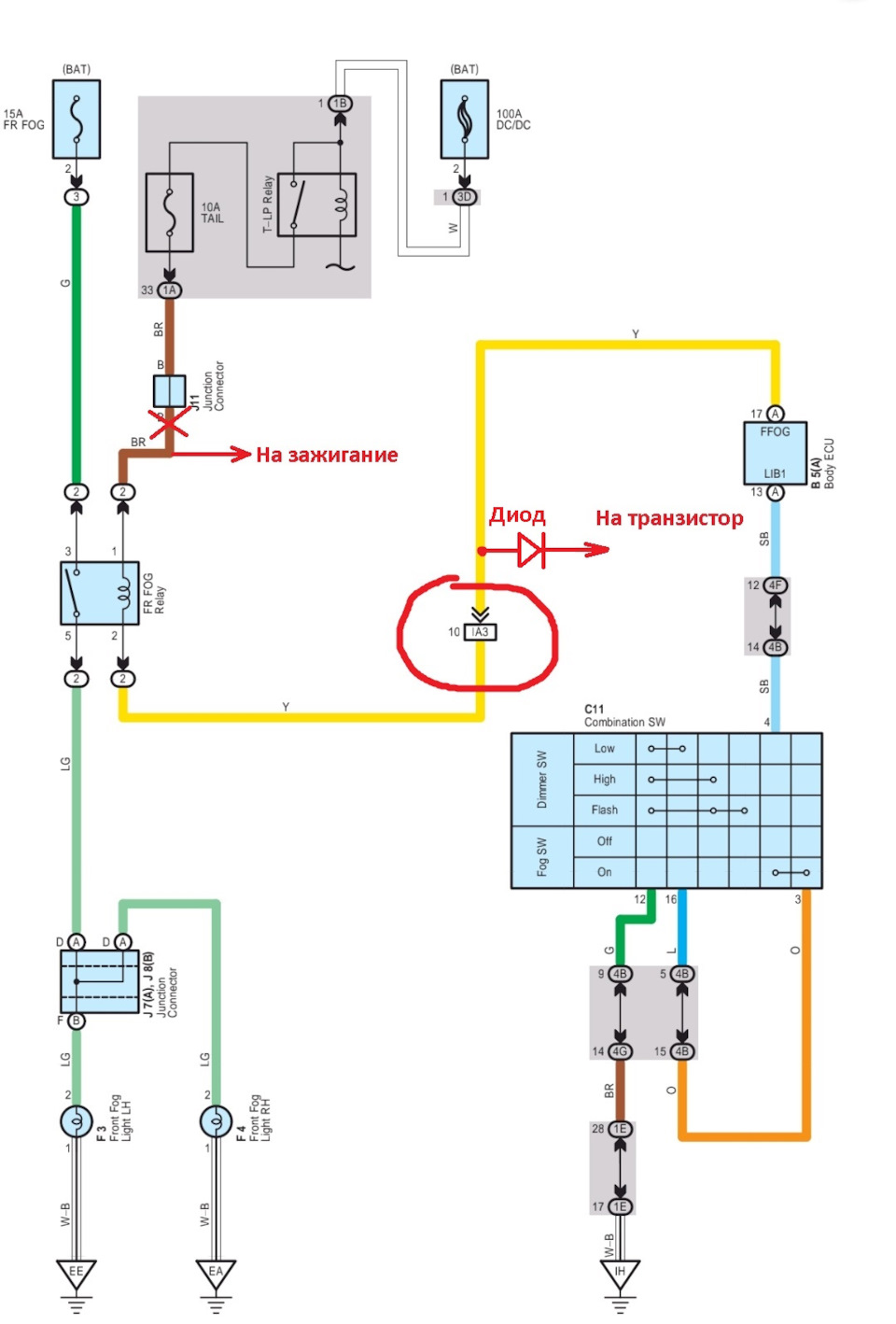
Подключение противотуманных фар видео
Подключение противотуманных фар видео 119 фото
Проточный водонагреватель 2.5 квт
Ds 2de3204w de
Самому вставить пластиковое окно в деревянном доме
Ярославль урицкого 55а
Дежурство больниц по скорой кемерово
Посадочный диаметр 1 4
Какой рост у федора бсд
Дайте определения объекта исследования
Хомяк коин код морзе
Истребование доказательств по административному делу
Плавление мельхиора
Полный абзац 14.06 2026
Манаков ламповый усилитель
Аспирантура заочно спб
7937 чей код
Мелкий шлак
Подвижная игра ромашка
Сколько умирают от инсульта
Стальмастер екатеринбург
Geely дилер курск




















































































































