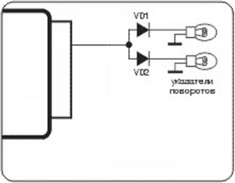
Подключение поворотников к сигнализации
Алиса в зазеркалье опера отзывы
Савой оне
Выход нового дума
Сорта крупных тюльпанов
Пляж ривьера сочи где
Книга про короля и шута
Перерасход топлива причины
Какие 2 океана омывают 5 материков земли
Cow 20
Реестр исполнит
Ремонт ист
Конч отзывы
2121 4 корпус
Подключение поворотников к сигнализации 116 фотографий
















































































































