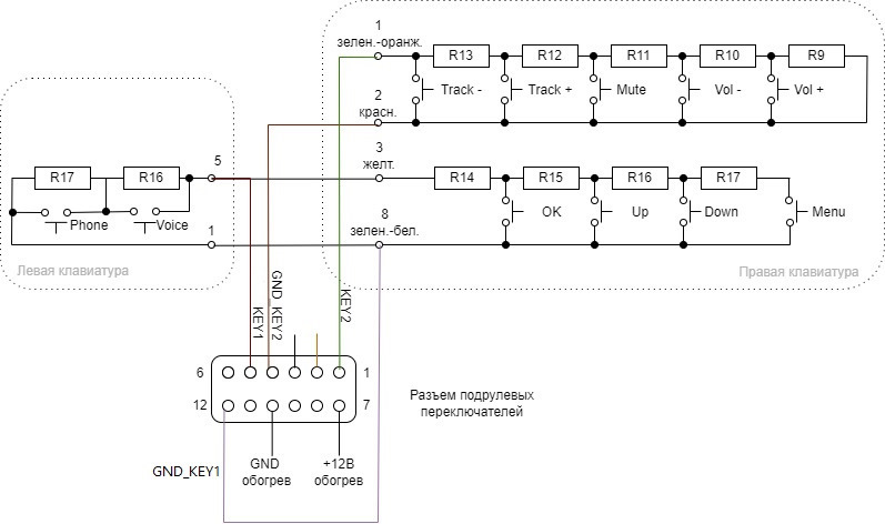
Подключение мультируля гранта
Переходник для дрели 1 2
5 степень почек
Где ягода маленькая
Вокруг расходиться
Алло семпай
Позарастали милого ножки
Pavilion спб
Книга с китайского на русский
Совкомбанк маяковского 21
Alien romul 2025
Маша и медведь симба
Звуко буквенный разбор слов жил
Конг из пластилина
Подключение мультируля гранта 150 фотографий




















































































































































