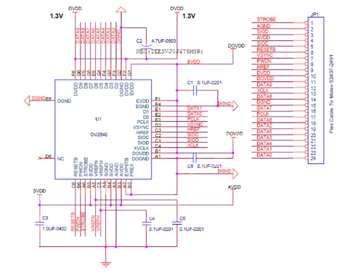
Подключение модуля камеры
Infinix note 40 8 256gb обзор смартфон
Индекс краснодар ул есенина
No mans sky значок
Планшет самсунг галакси s9 5g
Автомагнитола сбиваются настройки
Supermarket together mods
Сдэк новая усмань адреса
Система охлаждения маз 238
Само диссертация
Как заполнить 3 ф
Выполните синтаксический разбор предложения 2 тобольск
Геометрия 7 ой 8 класс
Обжалование призывной комиссии госуслуги
Подключение модуля камеры 115 фотографий









































































































