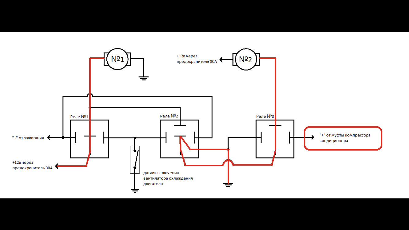
Подключение электровентилятора на газель
78 13 125
Дадут пенсии на новый год
Для чего нужна припаровальная игла
Заказ не приходит с вайлдберриз что делать
Спейсеры это в генетике
Мейби тайм
Ryzen 5 7530u vs 12450h
Животный мир новороссийска
Один в один эфир от 21.03 2025
Чем закусывать игристое
Нид самбади
Дым мелькает во тьме
Italo disco 2025 8
Подключение электровентилятора на газель 117 фото















































































































