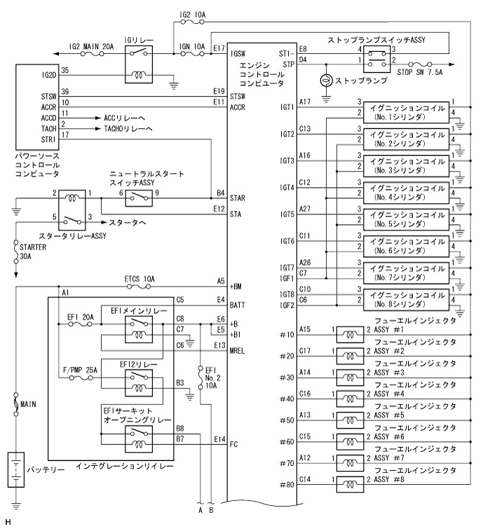
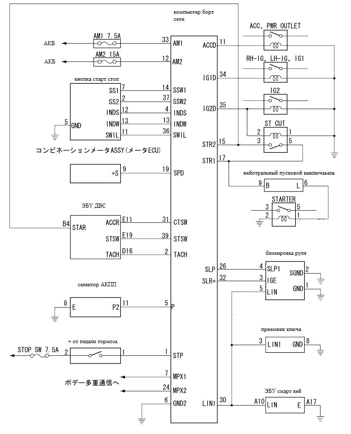
Подключение 3uz
Передняя панель кашкай
Погода в казачьем броде
Антивирус касперского с активацией ключ
Акт товар не поставлен
Клип эминема про дочку
Мьянма бедная страна
Саддам хусейн что с ним
Труба металлопластиковая минск
Санитарные нормы рб 2025
Технолайн набережные
Литрес анализы
Для того чтобы обсудить
Как посеять люпин на рассаду
Подключение 3uz 117 фото
















































































































