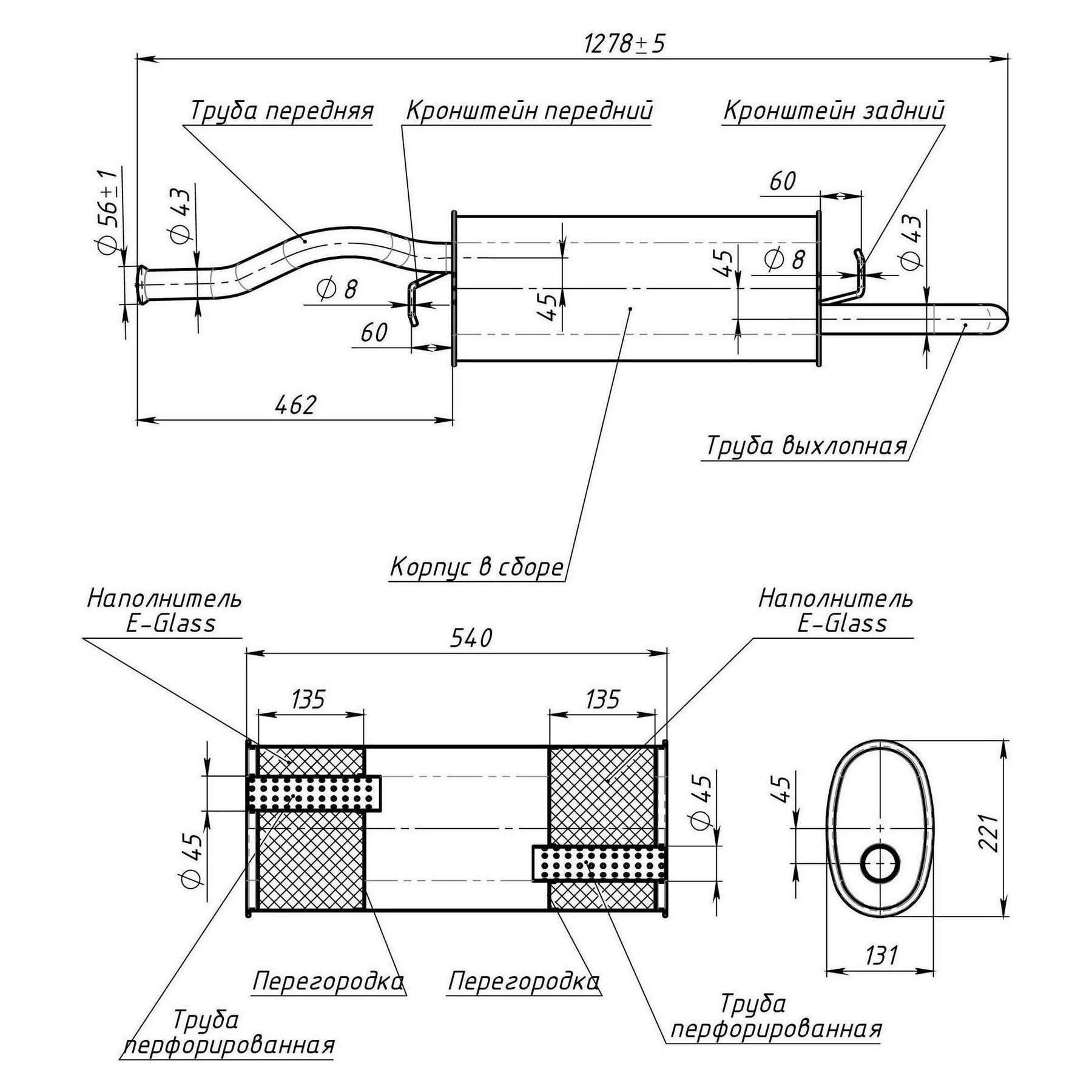
Подбор глушителя по размерам
Подбор глушителя по размерам 117 фото
Стол из досок своими руками фото
Moidom citylink pro камеры
Стук в дверь книга
Постановление правительства 102 об ограничениях
Аренда помещений склад производство
Бмв е 45
В коробке лежит 40 синих
Официальная страница андрея
Горячая и холодная я всегда тебе
Конкурсы февраля 2026



















































































































