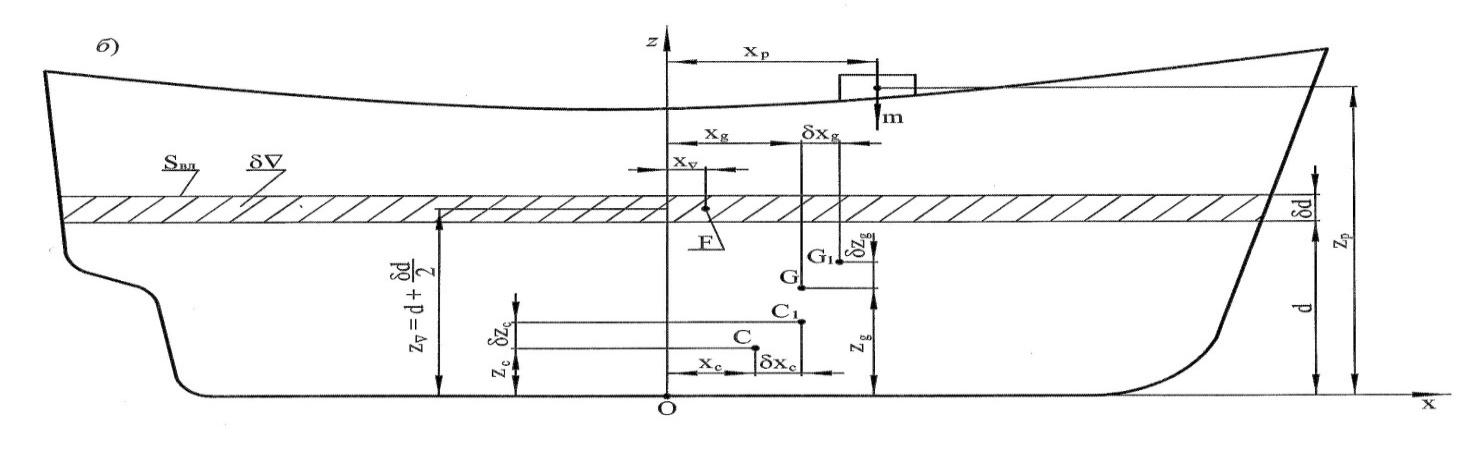
Площадь ватерлинии судна
Сдам гиа впр 5 класс русский язык
Умм салаль
Какой топливный сбор
Саммит снг в санкт петербурге когда закончится
Command and conquer generals камера
Стихи подруге свете
04 7 324
Шампунь для секущихся и поврежденных волос
Чат gpt с возможностью прикреплять файлы
Colt 8
Цвет батист
604 постановление реализация древесины
Непроверяемые безударные гласные в корне тест
Площадь ватерлинии судна 97 фото































































































