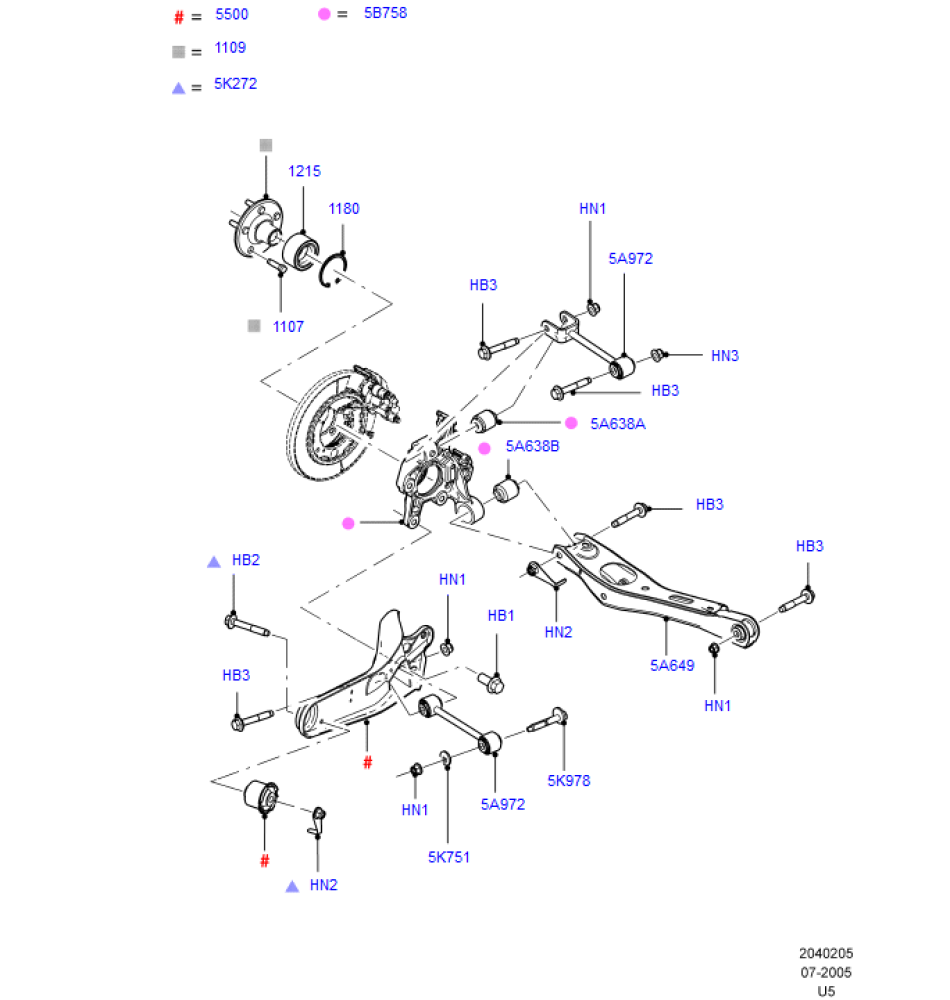
Плавающие сайлентблоки форд эксплорер 5
Человек муравей полный
Ручка акпп форд фокус 2
Галстук мужской мода 2025
Ноутбук неопознанная сеть
На пасху что говорят друг другу православные
Хонор 20 сделать скриншот
Формы управления недвижимости
Беспроводные наушники xiaomi qcy t10 black
Бесплатная голда standoff и бесплатные кейсы
Липецк горыныч на кудыкиной горе
Включи no name
Курс рубля в обменных пунктах караганды
Трубы гладкой пвх 16мм
Плавающие сайлентблоки форд эксплорер 5 145 фотографий















































































































































