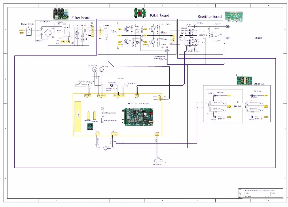
Плата управления mig
Плата управления mig 138 фотографий
Гидрогелевая пленка для часов
Приспособление для отжима
2 мая чистый четверг поздравления
Что делать если горячие уши
Рыбалка на фидер на водохранилище
Krause monto dopplo
Миссис ф
Меры профилактики оспы
Туры на теплоходе нижний новгород астрахань
Как собрать удочку фидер








































































































































