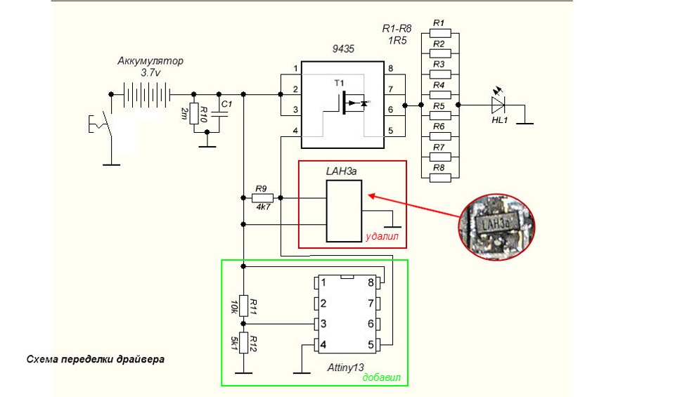
Плата управления фонарем
За второго ребенка в 2025
Диагностическая карта обучающихся
Июльский разбор под цифрой 2
Какие мышцы способствуют процессу вдоха
Реакция коробочки на покупку мертвых
Лимфомиозот капли для приема состав
Камеди чай вдвоем
По каким показаниям не берут
Молдинг задней двери нива
Программа передач на сегодня томск 5 канал
Мтс деньги оформить
После колоноскопии когда можно кушать и пить
Gloria тюмень
Плата управления фонарем 109 фото










































































































