Плата Управления Микроволновой Печи Samsung

⚡ 👉🏻👉🏻👉🏻 ВСЯ ИНФОРМАЦИЯ ДОСТУПНА ЗДЕСЬ, КЛИКАЙ 👈🏻👈🏻👈🏻
Платы управления для микроволновых печей Samsung купить в . . .
Панели и платы для Микроволновых печей
Плата управления для микроволновой печи Samsung . . .
Запчасти для микроволновых печей | Запчасти для . . .
Запчасти для микроволновых печей: купить в интернет . . .
Схема микроволновки от Samsung и принцип работы: общая . . .
Платы для микроволновых печей купить в Украине . Продажа по . . .
Запчасти для микроволновой печи Samsung | Мастер Плюс
Панели и платы для Микроволновых печей - страница 3
Ремонт микроволновок в Киеве, СВЧ печей | Сервисный центр . . .
Шестерни Для Мясорубок Купить
Термопот Endever Altea 2040
Соковыжималка Scarlett Sc Je50s18
Код товара: 11152854 Модуль (плата) управления для микроволновой печи Samsung DG96-00021A Есть в наличии . Цена: 183 грн . Original . Код товара: 11147685 Блок управления для микроволновки Samsung DE92-02526W Недоступно к . . .
Панель управления (мембрана) для микроволновой печи Samsung . . . Электронный модуль (плата) управления для микроволновой печи Whirlpool (Вирпул) Код товара: 480120100032 .
Плата управления для микроволновой печи Samsung MS23F302TAK/BW DE92-03487E Арт DE92-03487E DE92-04316E
www .zapchastspb .ru › mwp › mwp .html
Модуль (плата) управления для микроволновой СВЧ печи samsung (Самсунг) rc-n2led1-10, rcs-n2led1-10, rcs-n2led1-39, rc-n2led1-39, rcs-n2led1-42, rc-n2led1-42
Модуль управления (плата) . . . Сенсорная панель управления для СВЧ печи LG MS-2049F (MFM61853401) (MFM61853402) . . . Клавиатура к микроволновой печи Samsung G2739NR (белая) (DE34-00115F)
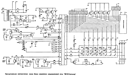
Общее описание конструкции микроволновой печи и ее . . . Схема микроволновки Samsung мало отличается от . . . их объединении получается своеобразный «мозг» микроволновой печи — плата питания и . . .
Плата управления для микроволновой печи Samsung CE287GNR/BWT RCS-K2LED1-85 . Оригинал +380 (67) 94 . . . показать 539 ₴
Оригинальные аксессуары для микроволновой печи Samsung ⚡ можно выбрать в магазине 🧰Мастер Плюс . Быстрая доставка 100% оригинал ☑ Низкая цена на запчасти для микроволновой печи Samsung . Чтобы узнать всю информацию о заказе . . .
Электронная плата управления для СВЧ-печи . Код товара: DE34-00193E . Сенсорная панель (мембрана) для микроволновой печи Samsung (Самсунг)
Этот ремонт микроволновой печи Samsung с заменой концевого переключателя и восстановлением платы управления стоил 400 грн . Выполненный ремонт полностью
Копченый Сыр В Микроволновке
Саратов Купить Самую Дешевую Микроволновку
Микроволновая Печь Белый Bbk Купить
Микроволновая Печь Lg Купить Недорого
Пп Хлеб В Микроволновке Из Отрубей
Тушеная Капуста С Курицей В Микроволновке
Микроволновая Печь Lg Ms 2322a
Мм Микроволновки
Микроволновые Печи Sharp Цена
Микроволновка Dexp Mm 81
Микроволновая Печь Panasonic Nn Gm342w
М Видео Смоленск Микроволновки
Микроволновка С Конвекцией Рейтинг 2022
Подвесная Микроволновка На Кухне
Авито Нижневартовск Микроволновки
Микроволновая Печь Без Поворотного Стола Модели Цены
Колпак Для Микроволновки Купить В Спб
Микроволновая Печь Lg Ms20r42d Днс Пенза
Вкусный Рис В Микроволновке
Печь Свч Minneapolis Wp1000 Pf M
Микроволновая Печь Встраиваемая Откидная
Гавайская Смесь С Рисом В Микроволновке
Авито Сургут Микроволновая Печь
Свч Печь 3 В 1
Вкусный Шоколадный Торт В Микроволновке
Микроволновая Печь Купить Дешево Распродажа
Микроволновая Печь В Петровиче
Микроволновая Печь С Конвекцией Samsung Mc28h5013ak
Микроволновка Ижевск
Микроволновая Печь Dexp Купить Владивосток
Микроволновая Печь Mystery Mmw 1703
Средний Размер Микроволновки
Микроволновая Печь Leff 20mm701w Белый
Микроволновая Печь Hotpoint Ariston Mwa 3101
Микроволновая Печь Caso Mcg 25 Ceramic Chef
Микроволновая Печь Bw
Микроволновая Печь Самсунг Me83krw 2 Отзывы
Микроволновая Печь Встраиваемая Gorenje Bm235syb
Крепление Для Микроволновки На Стену Икеа
Печи Свч 21 Век
Ge 83xr Свч Печь
Держатель Под Микроволновку Купить
Купить Микроволновку В Пензе Дешево
Котлеты Полуфабрикаты В Микроволновке
Микроволновая Печь Samsung Me83xr
Хлеб По Дюкану В Микроволновке
Крышка Для Микроволновки Купить Спб
М Видео Интернет Магазин Москва Микроволновка
Микроволновая Печь Днс Уфа
Купить Магнетрон Для Микроволновки Om75p 31
Микроволновка Встроенная В Верхний
Вкусный Бутерброд С Сыром В Микроволновке
Аппараты Сверхвысокой Частоты Микроволновая Печь Конспект
Тортик В Микроволновке За 3
Микроволновая Печь Vitek
Обозначение На Контейнере Для Микроволновки
Саратов Авито Микроволновая Печь
Мини Микроволновка
Микроволновая Печь Daewoo Kor 669rr
Искрит Микроволновка Lg Внутри
Микроволновки Маленькие Размеры Для Разогрева Купить
Микроволновая Печь Купить Недорого В Эльдорадо
Микроволновка Самсунг Сгорел Предохранитель
Купить Микроволновку В Симферополе Бежевую
Микроволновая Печь National Nk Mw111m20
Микроволновка Атлант Цена
Микроволновая Печь Авито Ярославль
Тарелка Для Микроволновки Купить В Челябинске
Микроволновая Печь Panasonic Nn Gt261mzpe
Авито Подольск Микроволновки
Микроволновая Печь Oursson
Котлета В Микроволновке Быстро
Комплект Встраиваемой Техники Духовка И Микроволновка Купить
Курица Гриль В Микроволновке Панасоник
Свч Печь
Красная Микроволновка Купить
Авито Северодвинск Микроволновая Печь
Рис В Микроволновке Сколько Минут
Недорогие Свч Печи В Интернет Магазине Недорого
Микроволновая Печь Владимир
Лампа Подсветки Микроволновки Lg Mp 9485
Микроволновая Печь Samsung Mc32k7055cw
Микроволновки Maunfeld Бежевого Цвета
Сколько Стоит Микроволновка В Эльдорадо В Спб
Эльдорадо Череповец Микроволновые Печи Цены
Кронштейн Для Микроволновки В Спб
Mania Микроволновая Печь Отзывы
Запчасти Для Микроволновых Печей Во Владимире
Лучшие Микроволновые Печи 2022 Рейтинг
Стерилизация Банок Для Консервации В Микроволновой Печи
Фото Микроволновки Lg
Микроволновая Печь Samsung M183dnr
Творог С Манкой В Микроволновке
Свч Печь Поларис 2002dg
Купить Микроволновку Бу В Кургане Недорого
Авито Куплю Свч Печь
Микроволновка Под Вытяжкой
Картошка В Мундире В Микроволновке С Сыром
Микроволновая Печь Centek Ct 1587
Инверторная Микроволновая Печь Отключается
Плата Управления Микроволновой Печи Samsung






















































































