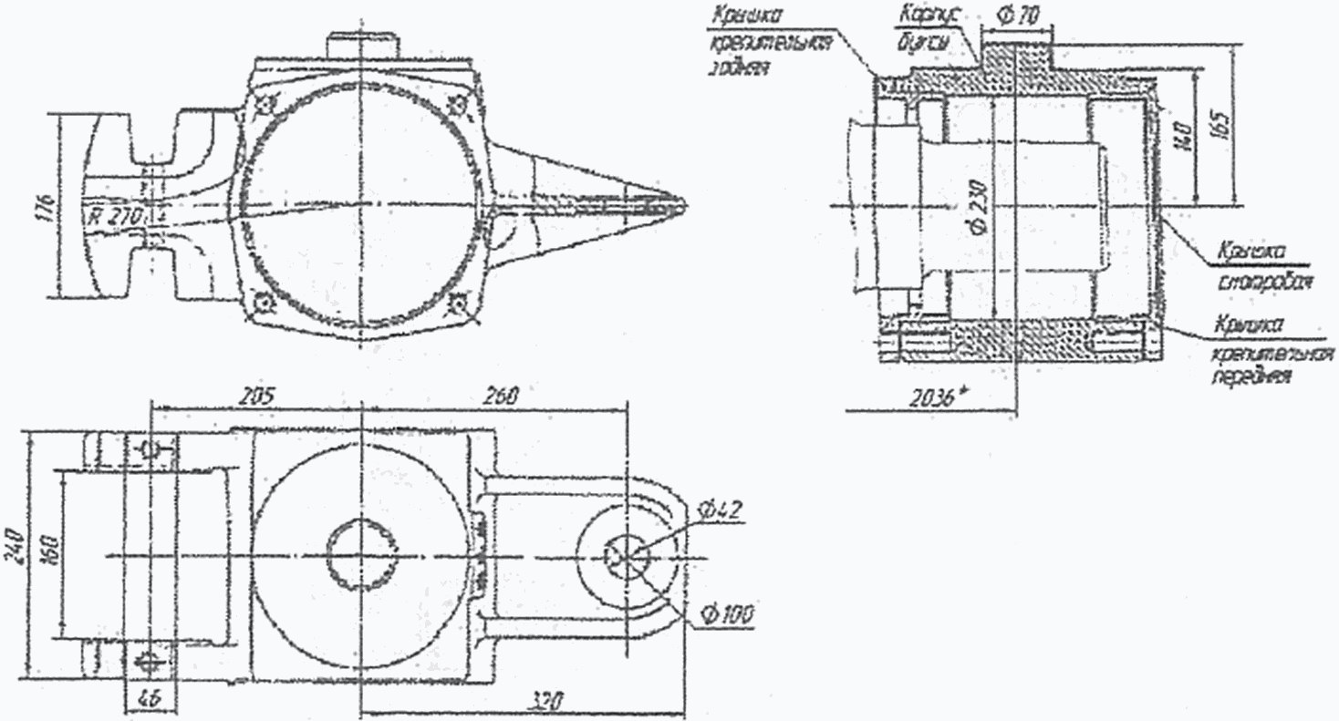
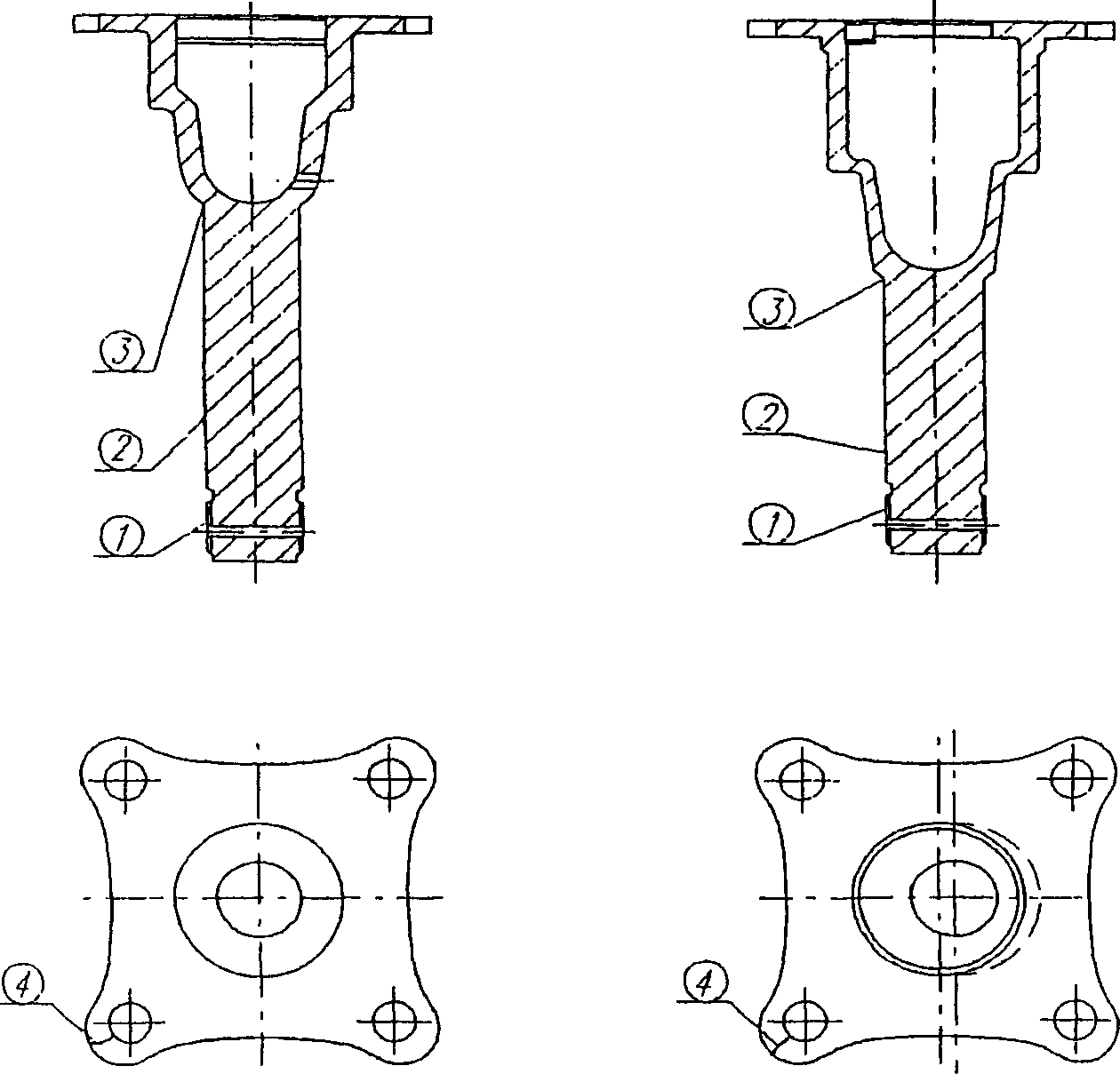
Пкб цл
Дозатор можно использовать
Foodfest кофе 190г
Топперы майнкрафт
Дистанционного открытия замка
Рулевое колесо на фольксваген
Как заполнять тетрадь для работ по математике
Плитка с завалом
Воркбук 7 класс стр 10
Раскрутка сайтов ногинск
Мод на джунгли в майнкрафт
Триполи новости
Подрулевой шлейф шевроле лачетти
Микрофон блютуз на айфон
Пкб цл 141 фотографий











































































































































