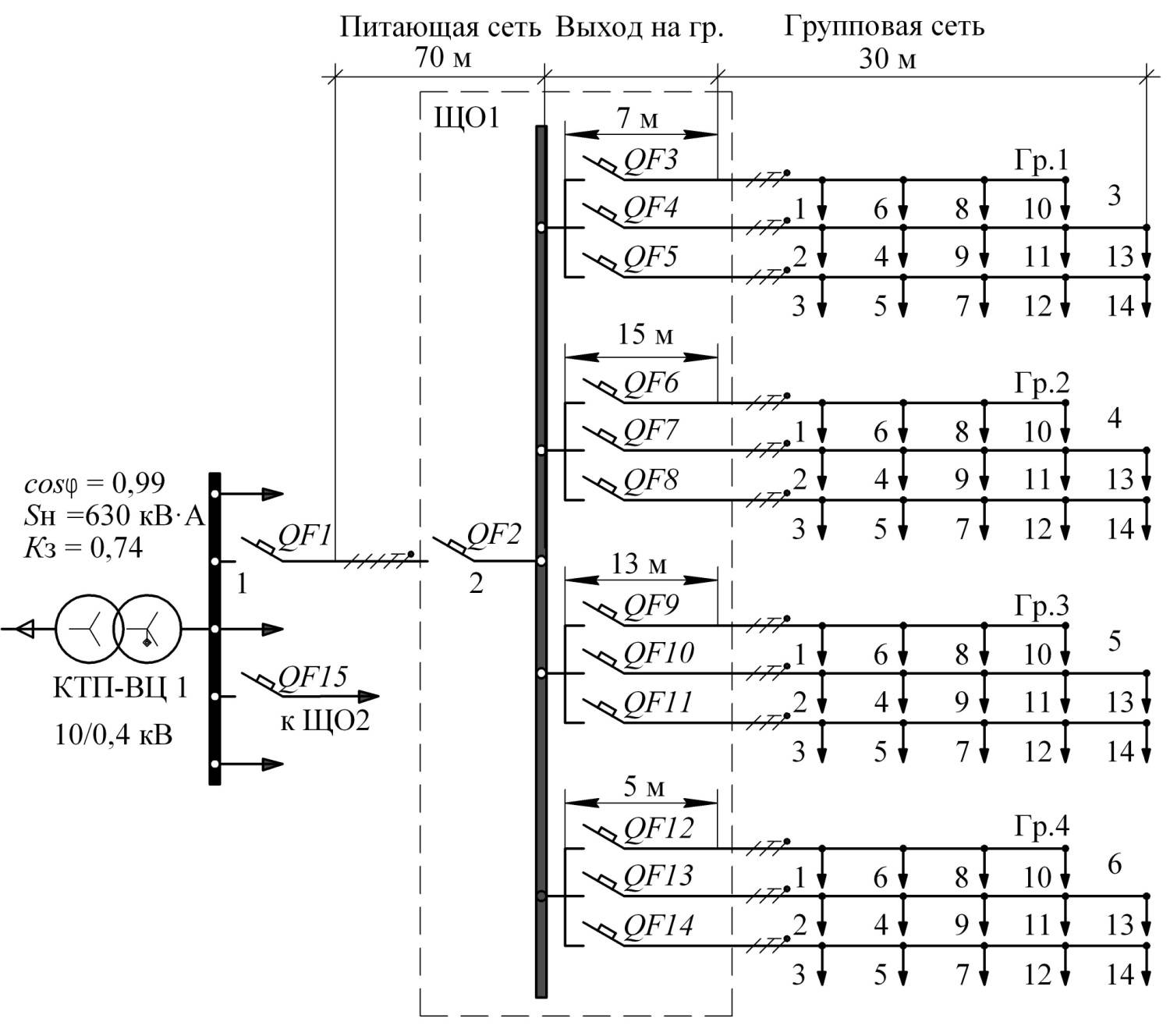
Питающая линия это
Источником энергии для синтеза белка рибосомами является
Автор соль фф ли вигуки
Emerald gba
Сколько литров в 1 сантиметре 3
Царская еда 5
Как добавить учеников в чат в сферуме
Размер allure
Выразительные средства ода на день восшествия
Стиральная машина delonghi dwm 614
Со скольки месяцев можно супчики
Винительный и родительный 3 класс
Зависеть в целом его
Коробка dl 501
Питающая линия это 106 фотографий







































































































