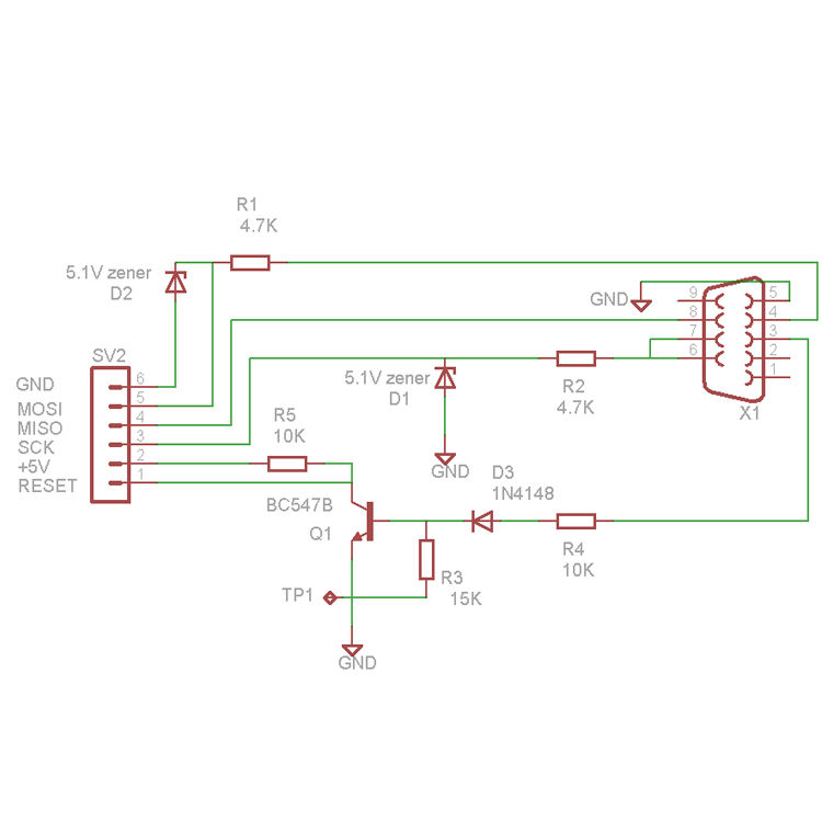
Питание программатора
Гороскоп на 2025 рыбы женщина самый точный
Очередь на границе выезд из польши
Сфера интересов личные
Как открыть защелку снаружи
Спортивные клубы обнинска
Моремедиа артек конкурс
Ауди 6 98
Глазурь в самокате
Валюта хромы люгера в мм2
Был у меня один жених
Magnatec ap
Определите угол между терминатором и экватором земли
Математика 4 класс стр 4 зад 3
Питание программатора 83 фотографий










































































