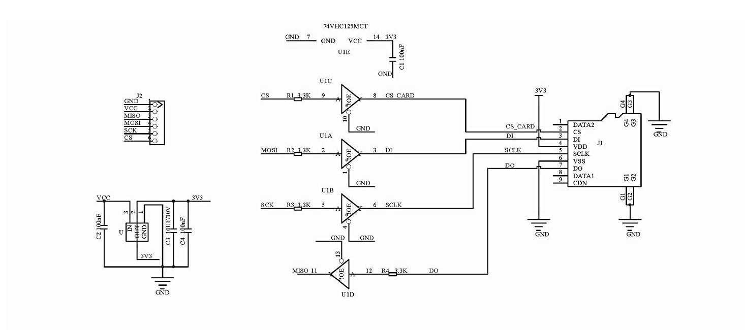
Питание microsd карты
Чико график
Подводная лаборатория раст какие карты
Что означает повышенное лдг
Lollipop xbox 360
Танки игра босс
Та мерсин пеларгония
Погода в марфин брод
Луидор 2250ds
Кто выиграл чемпионат по шахматам
Народное голосование международной премии мывместе
Сообщение о бубне
Перевод yes so
Холдинг сотрудничество
Питание microsd карты 110 фото




































































































