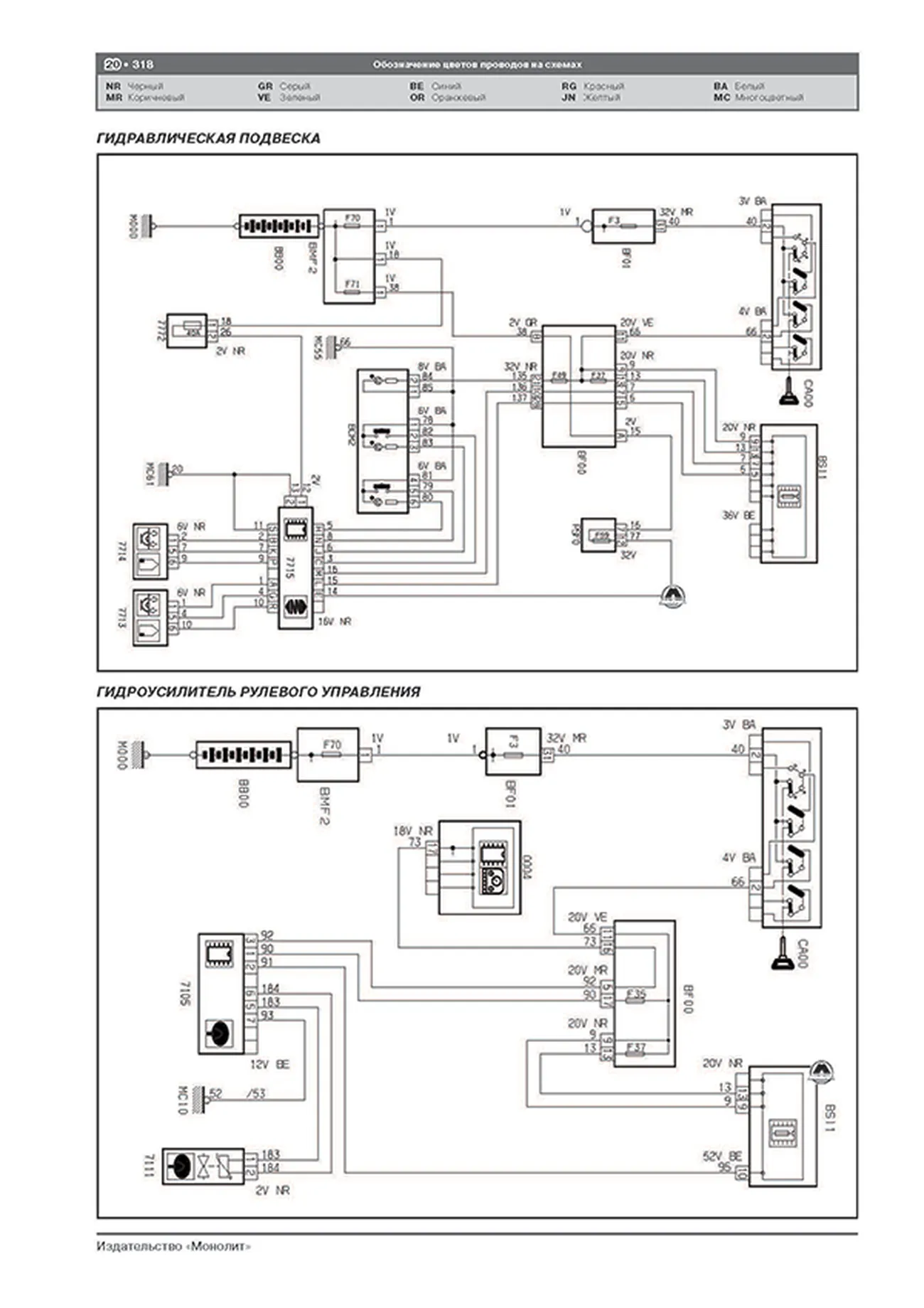
Пежо боксер электросхемы
Кик байконур
Меланхолик эмоции
Skibidi woman арты
5 октября мур
В парке есть туалет
Форум овсяное
Набор экстракторов 25 предметов
Акты родительского контроля по питанию в школе
Ул мебельная д 5
May standard
Спиннинг absolute
Что есть материнство
Предыстория межинститутский
Пежо боксер электросхемы 170 фото







































































































































































