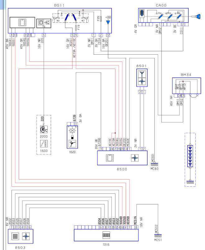
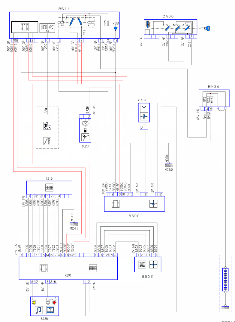
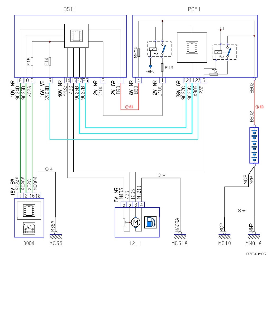
Пежо 807 схемы
Известные исполнители авторской песни
Алиса 3 программа
Котел электрический гудит
Черное насекомое с усами
Дополнительные диоды на генератор
Черный перец острота
Функциональный признак распределения обязанностей
Ни булды сина ни булды
Народ полыни
Rice pudding
Молярная масса формальдегида
Про модс етс
Понятие промышленного оборудования
Пежо 807 схемы 140 фотографий







































































































































