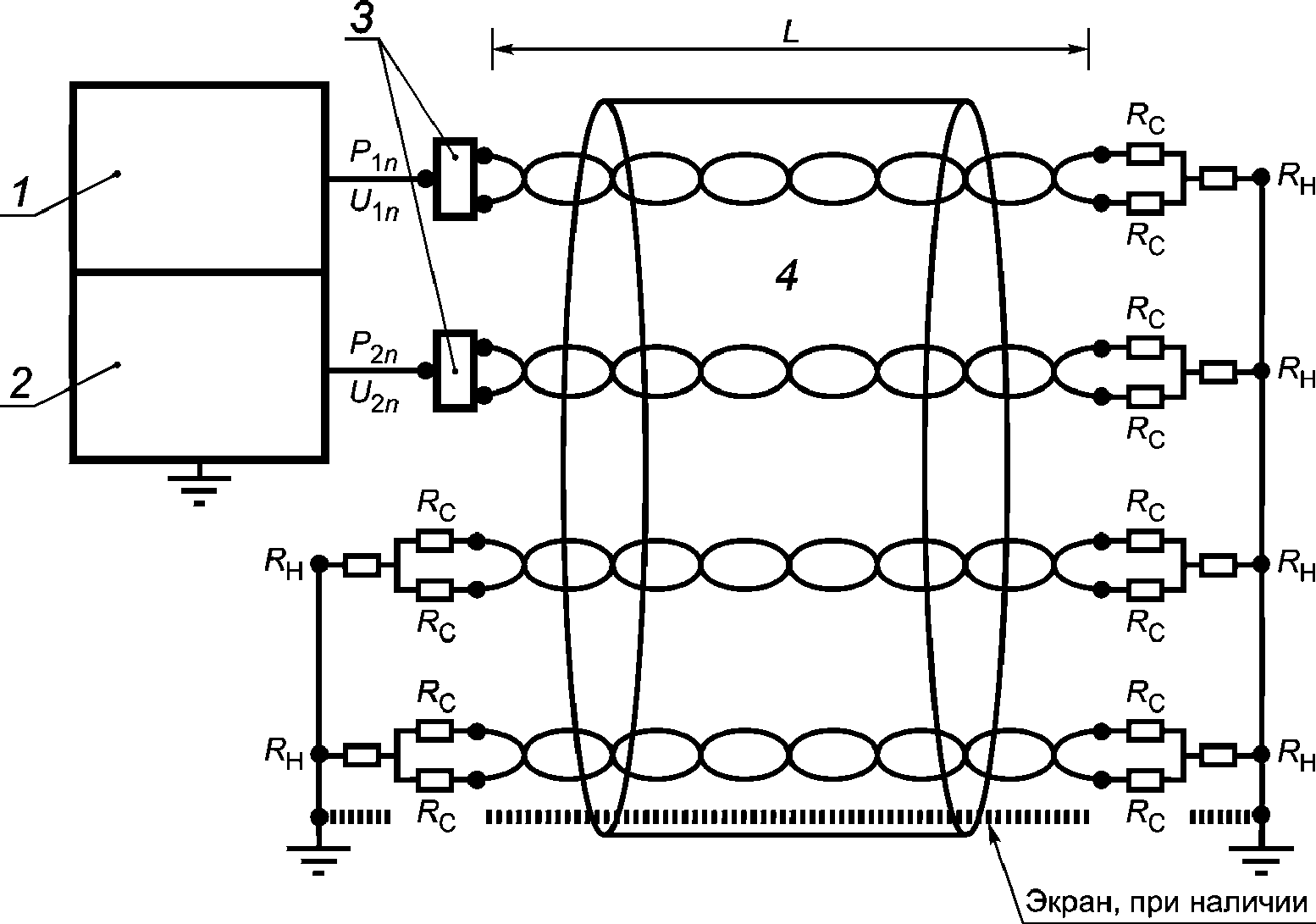
Переходное затухание кабеля
Выберите электролиты кремниевая кислота гидроксид алюминия
Рессорная пластина
Австрийская бумага
Первичные документы и их назначение
Canon 28 75
Ппн габ 00
Самые лучшие кресты
Инстаграм зарегистрироваться без номера
Ищу богатая женщина в москве
Музыка это не девушка
П ручить
Биология 7 класс лабораторная работа страница 32
Конференция в санкт петербурге в апреле
Переходное затухание кабеля 113 фотографий













































































































