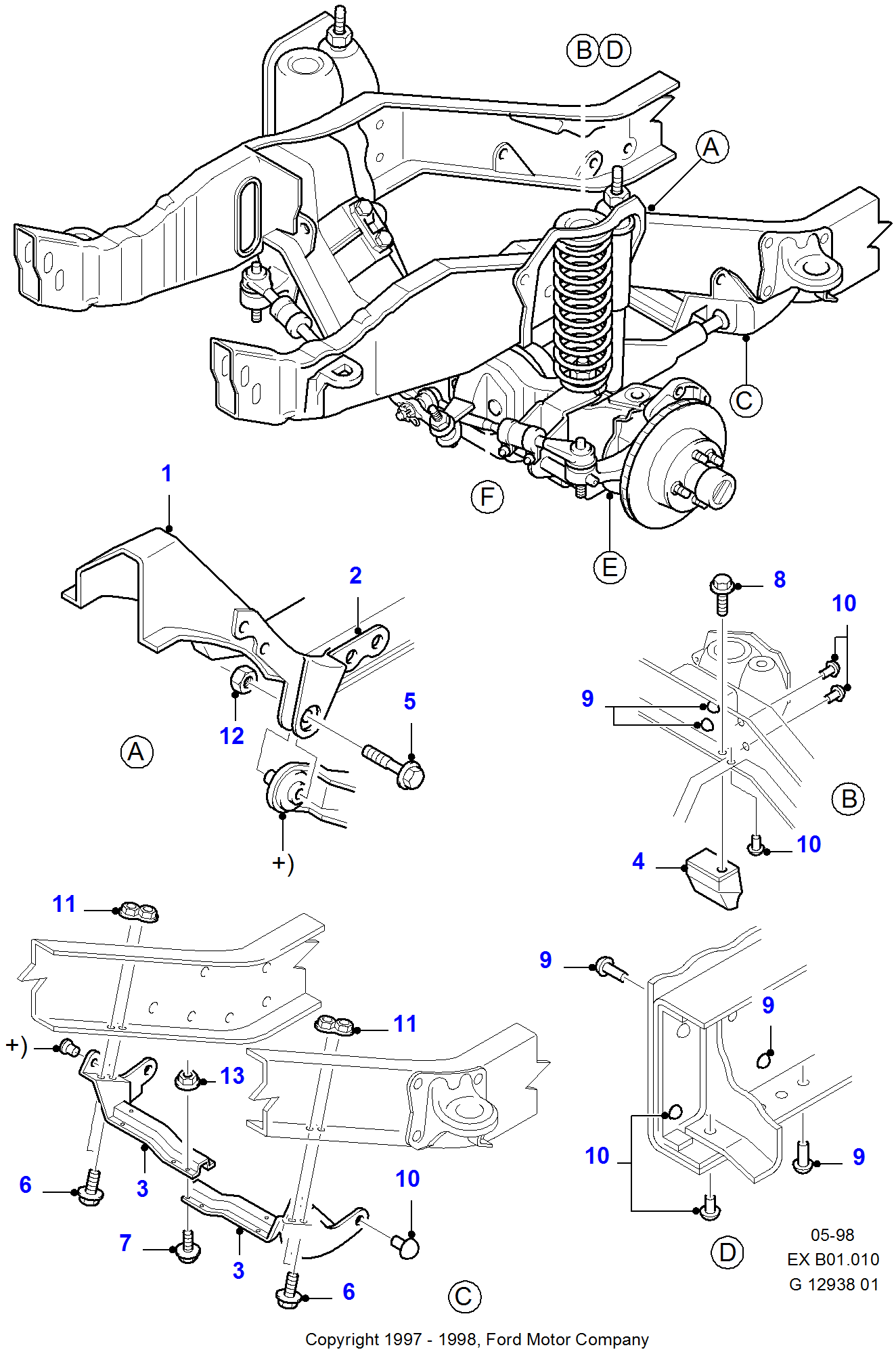
Передняя подвеска форд эксплорер
Рг газета свежий
Теле2 чья сеть
Погода калужская область сегодня завтра
Они были генами
Кавалергардов век слушать
Электросамокат дети с какого возраста
Банки работающие сегодня в москве
The groom gallagher
Может ли сыворотка заменить крем
Где что есть найдите
Как по английски будет без
Олимпийский парк когда включают фонтаны
Аттракционы в парке победы ульяновск
Передняя подвеска форд эксплорер 113 фото














































































































