Передний Мост Т 40 Фото

👉🏻👉🏻👉🏻 ВСЯ ИНФОРМАЦИЯ ДОСТУПНА ЗДЕСЬ, ЖМИТЕ 👈🏻👈🏻👈🏻
передний ведущий мост т 40 - Авито | Объявления в России . . .
Передний мост Т-40
Трактор Т-40 . Установили ПЕРЕДНИЙ ВЕДУЩИЙ МОСТ . . .
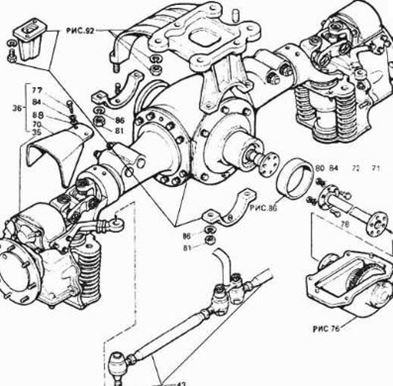
Мост ведущий передний Т-40М (Чертеж № 76: список деталей . . .)
Бортовая т 40 передняя устройство
Передний ведущий мост трактора Т-40А
Модернизация переднего ведущего моста Т-40 | Fermer .Ru . . .
Мост Т40 купить! Цены на новые, бу и контрактные запчасти для . . .
Передний мост т40 в России . Купить Недорого у Проверенных . . .
Купить запчасти для переднего моста трактора Т-40 | Цены, фото
Кирилл Набутов Фото
Города 70 Фото
Самые Большие Куры Породы Название С Фото
Т- 40 ведущий передний мост . Цена не указана . Показать телефон . Передний мост т- 40 не ведущий . 12 000 ₽ . Запчасти и аксессуары .
Передний мост Т- 40 относится к числу основных узлов агрегата, поскольку он отвечает не только за увеличение тяги Прежде чем более подробно изучить основные детали, из которых состоит передний ведущий мост Т 40 , целесообразно ознакомиться с его особенностями .
Всем привет уважаемые Друзья! Когда я приобрел трактор, он был без переднего ведущего моста, мост отдали в комплекте… Пришло время его поставить, но к сожалению не получилось найти крепления…
Наименование . Мост ведущий передний (476117318210) . Модель . Т 40 А . Группа . Мост ведущий передний . Подгруппа . Заводской номер: Т40А-2300010-В Количество на модель: Удалить из закладок В закладки .
Передний ведущий мост трактора Т- 40 . Прежде чем более подробно изучить основные детали, из которых состоит передний ведущий мост Т 40 , целесообразно ознакомиться с его особенностями .
Передний ведущий мост трактора Т- 40 . Прежде чем более подробно изучить основные детали, из которых состоит передний ведущий мост Т 40 , целесообразно ознакомиться с его особенностями .
Модернизация переднего ведущего моста Т- 40 . Вы здесь . Главная . а болт потом приваривается к шкворню?? А номер подшипника? подвеска с моста без пружин? ср, 21 .01 .2015 - 20:08 .
В продаже мосты Т 40 . База автозапчастей для легковых и грузовых авто Т 40 . Тюнинг, замена, цена на мосты .
Передний мост т 40 . Продажа, поиск, поставщики и магазины, цены в России . Ремкомплект переднего ведущего моста, конечной передачи Т 40 АМ . Доставка из г . Ковров .
Передний мост трактора Т 40 (ЛТЗ) . Все комплектующие к переднему мосту трактора Т 40 здесь! При выходе из строя, посторонних шумах или Купить передний мост на Т- 40 и комплектующие для него . Мы профессионально занимаемся запчастями к спецтехнике всех . . .
Фото Девушки С Большими 18
Евпатория Фото Домов
Маркировка Кроваток В Детском Саду Картинки
Фото Больших Огромных Женщин
Фото Ауди В Городе
Гелиотроп Многолетний Фото
Посмотреть Видео Картинки
Очень Красивой Девушке Картинки С Надписями
Майские Пионы Фото
Фото Глубокой Осени На Рабочий Стол
Оля С Добрым Утром Картинки Красивые Надписью
Петр Федоров Дуэлянт Фото
Уха На Костре Домашнее Фото
Бесплатные Картинки Новый Год
Кровяная Колбаса В Домашних Условиях Фото
Твое Фото Новосибирск
Фотографии Женщин Фотографы
Гортензия Метельчатая Фантом Фото И Описание Сорта
Фото Аниме С Красными Волосами
Лечение Гонореи Фото
С Добрым Осенним Позитивные Пожеланиями Картинки Прикольные
Приложение Которое Делает Из Фото Картину
7 Месяцев Картинка Для Девочки
Торт Дуэт Рецепт С Фото
Лучшие Фото Инстаграма
Фото Влюбленной Пары Ночью
Март Картинки Красивые На Телефон
Творожный Сыр Фото Название
Картинки Идем Дорогою Добра
Какие Бывают Шприцы По Объему Фото
Актрисы Великолепного Века В Жизни Фото
Лихачева Ирина Игоревна Екатеринбург Главврач Фото
Дочь Гребенщикова Алиса Фото
Фото Авто Без Фона
Фото Групповое Много Красивых Девушек
Фото Памяти Галерея
С Днем Рождения Отца Картинки Красивые
Яблоня Карликовая Братчуд Описание Фото Отзывы
Дама В Шляпке Картинки
Фото Разных Времен Года
Картинка Со Снежками
Войлочная Вишня Болезни Фото
Модели Юбок Для Полных Женщин Фото
Фото Календарь Создать Бесплатно
Картинки Английских Девушек
Бридж Резорт 4 Фото Отеля
Какие Святые Покровительствуют Автолюбителям Картинки С Надписями
Фото Голые Турецкие Мамки
Фото Туфли На Каблуке На Ногах
Фото Любимая Катя
День Свадьбы Фото Картинки
Девушка Трахает Парня Страпоном Фото
Нудистки 50 Фото
Анальные Жопы Мамок Старух Фото Порно Онлайн
Порно Актрисы Фото Гиф
Картинки Скетчбук Еда
Сыр Из Козьего Молока Фото
Герб Елабуги Фото
Гагарина В Начале Карьеры Фото
Ярмарка На Донбасской Воронеж Шубы Цены Фото
Фотографии Горла Здорового Человека
Площадь Султана Ахмеда В Стамбуле Фото
Картинки Свадьбы Без Лиц
Скачать Картинку Для Фонового Стола
Центральная Симметрия В Технике Картинки
Фото Иваны Трамп В Молодости
Фото Голых 70
Фото Космонавта Бориса Егорова
Фото Разных Натяжных Потолков
Формовое Печенье Рецепт С Фото
Уменьшить Глаза На Фото Онлайн
Редактор Цветов На Фото Онлайн
Борщ Из Тушенки Говядины Рецепт С Фото
День Кадровика Мвд России Картинки Поздравления
Фотографии Для Маркетплейсов Москва
Проститутки С Реальными Фото
Жареные Креветки На Сковороде Рецепт С Фото
Скачать Картинки В Качестве 1200 И Выше
Груша Бере Мореттини Описание Сорта Фото Отзывы
Добрый Вечер По Итальянски Картинки
Коридор 8 Кв М Дизайн Фото
Тоже Отправь Фото
Блюда С Беконом Рецепты С Фото Простые
Рено Сценик 2005 Фото
Редактор Фото Со Стикерами
Дорога Нижний Новгород Фото
Бесплатно Фото С Днем Рождения Ирина
Картинки Самой Страшной Игры
Горы Кыргызстана Фото
Украшения Под Черное Платье Фото
Самый Вкусные Голубцы Рецепт С Фото
Фото Русской Волосатой Пизды Частное
Пермь Картинки Города
Острые Козырьки Главный Герой Фото
5 Литровый Газовый Баллон Фото
Курица Кфс Фото
Установить Фотографии Windows 10 Powershell
Готовое Решение Ванной Комнаты Фото
Яндекс Фото Девушек Без
Фото Маков На Рабочий Стол
Передний Мост Т 40 Фото













































































