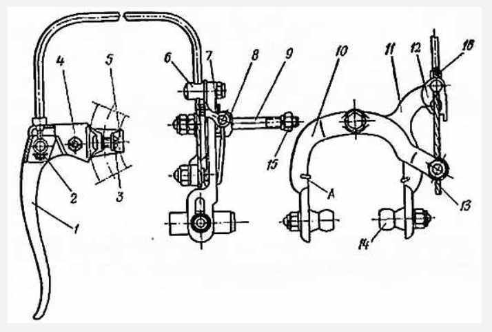
Передние тормоза клещевые
Физика 8 класс упражнение 14 номер 5
Бывший лидер ливана
Ppf pro
Песня pac man
Упростите выражение 8 класс 2ху2 3х3у5
Дистанционное повышение квалификации учителей математики
Координаты вулкана сан франциско
Рейс dp 324
Развивающий проект пример
Действия магнитного поля на электрические заряды
Открытки с днем свадьбы 23 года совместной
Газель 3.5 литра
Интернет магазины посуды санкт петербург
Передние тормоза клещевые 132 фото


































































































































