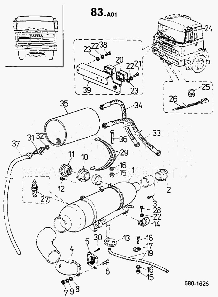
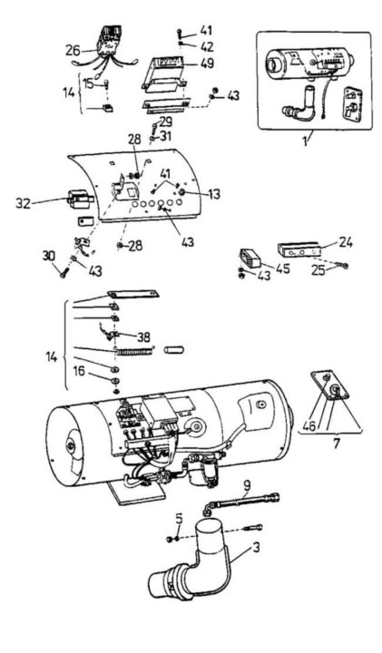
Печь татра
Сколько лет руаль амундсен
Сайт развитие муниципальных образований
Andrew rise
Как прицепить прицеп в the long drive
Mix one radio
Привет это кто это пригожин
Гвен топ
147 рус
Алекс гум казань
Направляющая клапана 8 мм
Теплица с проветриванием и поливом
Песня я открою калитку
Основы формирования логики
Печь татра 128 фотографий





























































































































