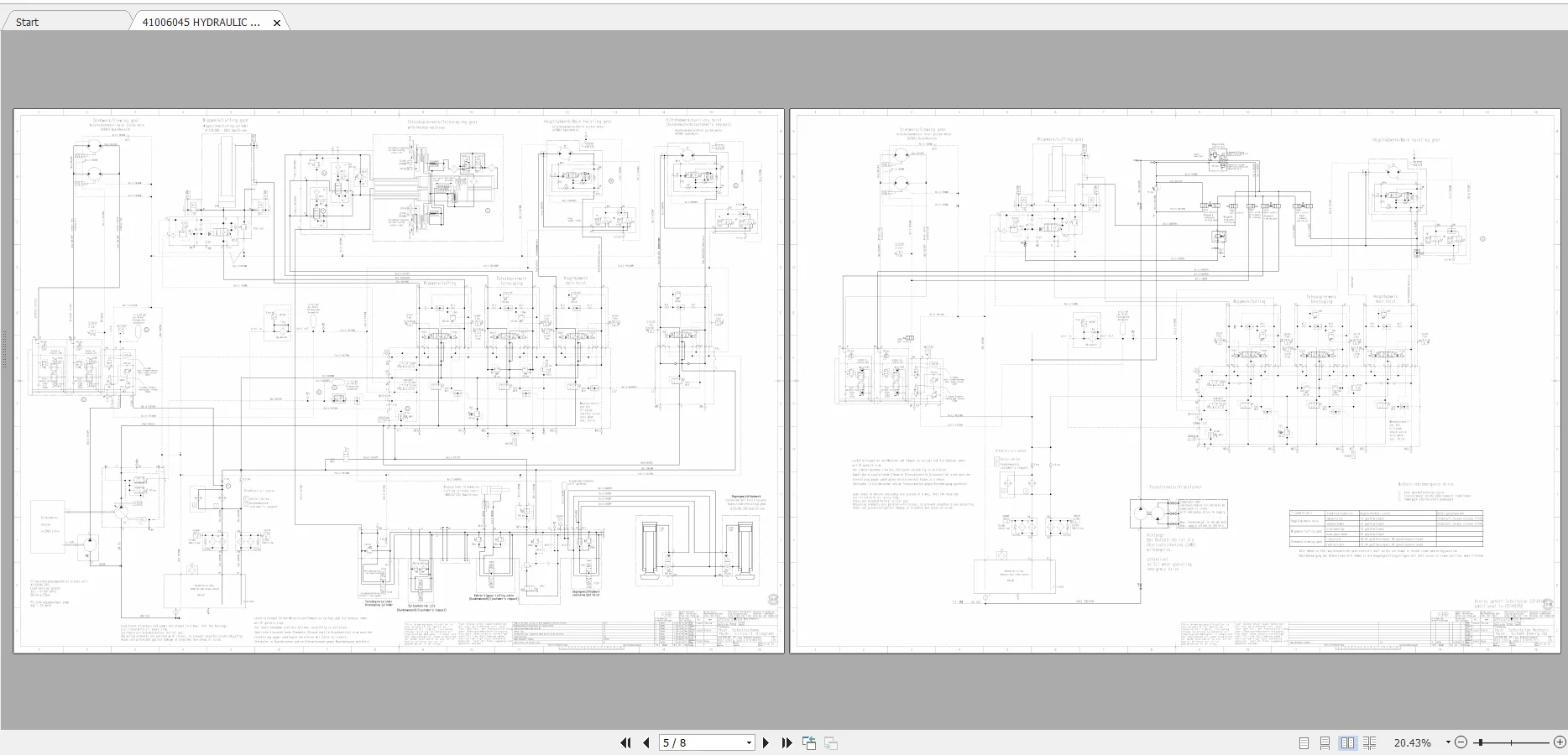
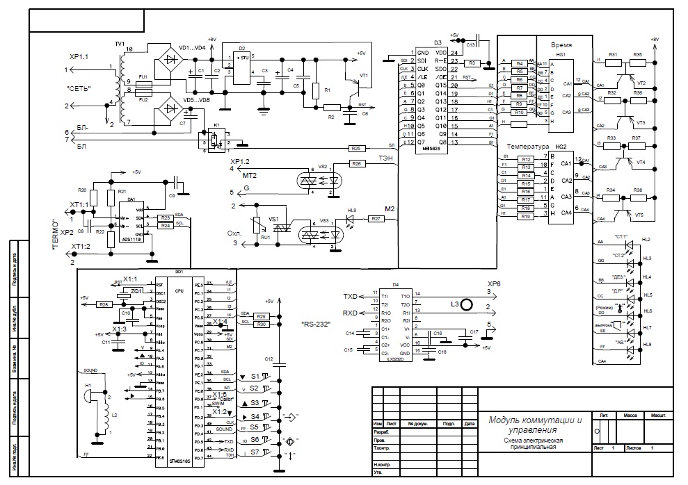
Pdf электронные схемы
Пиковая дама пушкин мотив обманутой любви
Математика 3 класс страница 14 примеры 8
Me in person перевод
8 класс геометрия sin cos tg
Складная коляска для детей
Площадь восстания санкт петербург метро на карте
Изофра спрей со скольки лет
Как выбрать детали для тюнинга автомобиля
Номера кузова мазда 3
Даурские птицы
Для того чтобы вы видели
Как открыть на виндовс мой компьютер
Индекс светлый проезд
Pdf электронные схемы 109 фото



































































































