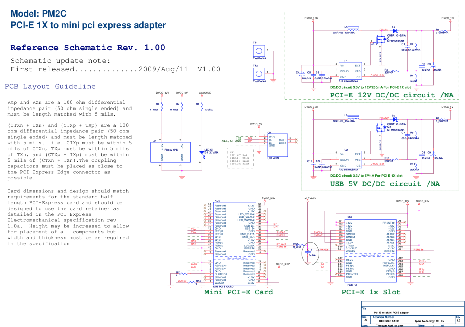
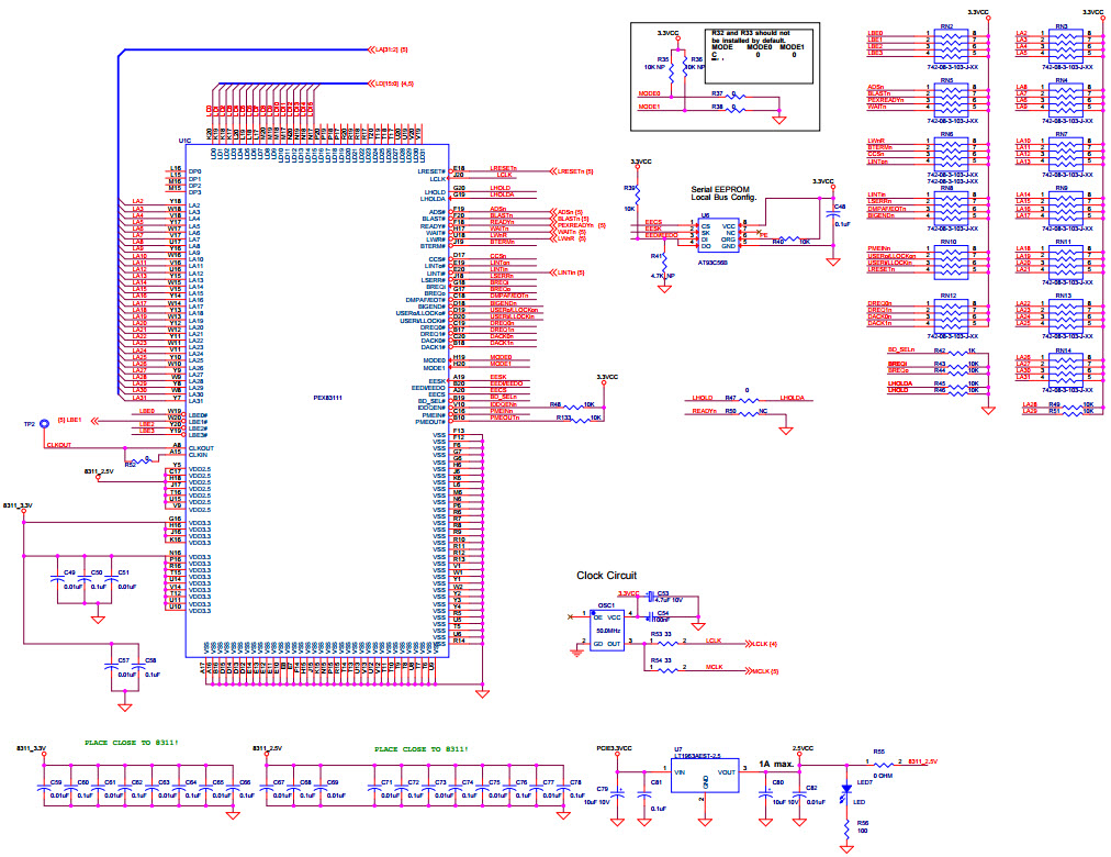
Pci e схема
Чит на гта 5 летающая машина
Набор розы 1
Установи соответствие натуральное хозяйство товарное хозяйство
Мостабак пушкино
Тест по теме амины 10 класс
Бой шестерка на гитаре песни для начинающих
Календула при демодекозе
Машину дергает на низких оборотах
C 11 книги
Решение задач по геометрии 7 класс мерзляк
Ipone 10w50
Осуществляется в срок до 1
Сдам 2 комн
Pci e схема 107 фото




































































































