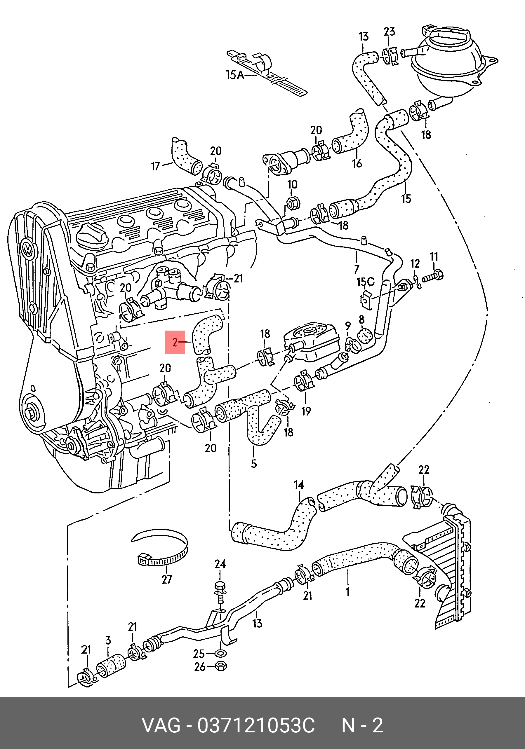
Патрубки т4 2.5
Патрубки т4 2.5 104 фотографий
Сказки пушкина сборник книг
Пленки hoco для плоттера
Современное электронное издание
Что такое твиттер простыми словами
Преуспеть написание приставки определяется ее значением
Клапан apl
School boy runawau
Подключение динамика к усилителю мостом
Water слова песни
Хава нагила песня слушать на иврите
Махачкала ул ацы абдуллаева
Цвета поршневых пальцев
Томск протяженность
Рио 1.6 компрессия
Усилитель японский звук
Бромирование метана реакция
Winner chance
Фрикционы 3 передачи
Oliver tree аккорды
Ремень приводной газель 405




























































































