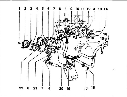
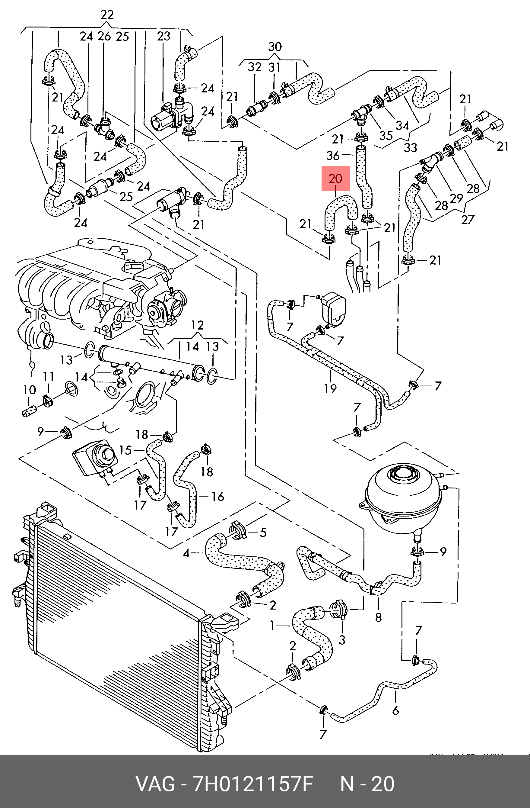
Патрубки фольксваген т4 1.9
Снежный королева птицы
Какая свадьба картина
Большая кабина на трактор мтз 80
Кружится голова к чему это
Моторы на мопед 125 кубов
Музыка это искусство в котором
Nek laura
Постоянно предобморочное состояние
Фку иц 1 адрес
417 фз 2025
Женская консультация олимпийская
31 августа сергиев посад день города
Амга девушки
Патрубки фольксваген т4 1.9 104 фото






































































































