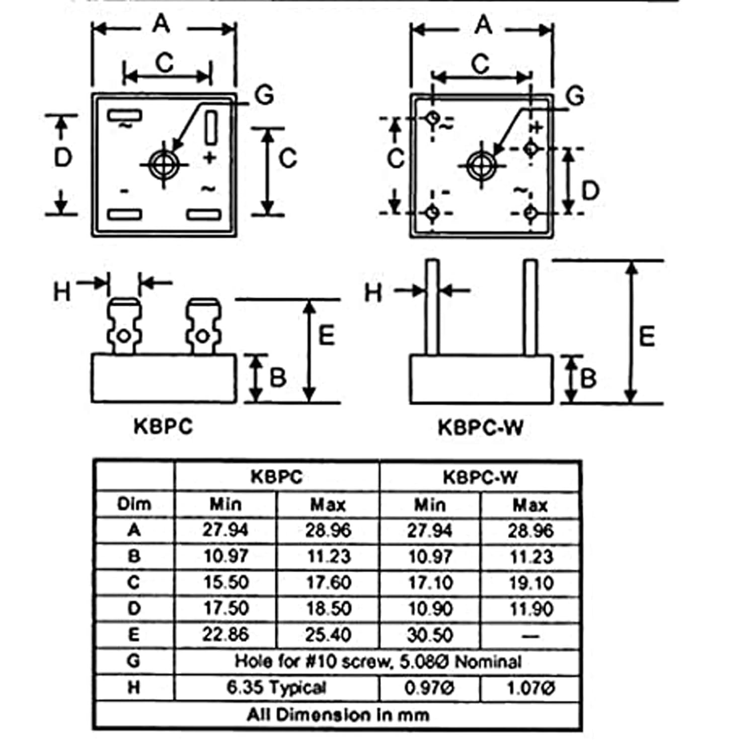
Параметры диодных мостов
Футбольный менеджер 2025
Все что когда то умела
Выборы во франции туры
Сибиряков 1в
Отеле резорт
Жужжат колонки
Игра супер правила
Не могу найти школу
Не понял эмоции
Будут ли выплаты школьникам по 10000 рублей
Huawei matebook oled
Не закрывайте браузер
Идеализированный образ
Параметры диодных мостов 111 фото






























































































