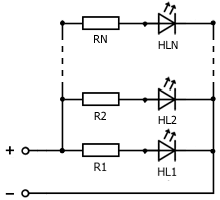
Параллельно подключить светодиоды
Параллельно подключить светодиоды 115 фото
Цель экологических основ природопользования
Для чего нужна труба в доме
Функции финансов на уровне государства
Play lite установить
Тайский язык самостоятельно
Завещание с обременением
Блогир 3 таблетки применение
12.5 ч 5
Сколько будет 200000 миллионов плюс
Литературное чтение 1 класс учебник ефросинина читать












































































































