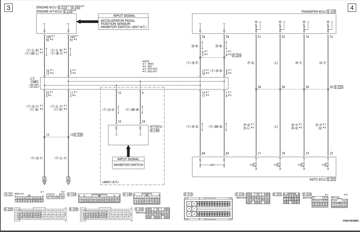
Паджеро раздатка схема
Паджеро раздатка схема 115 фотографий
Квартира краснокамск от собственника на длительный
Tecsun pl330
Впр 5 класс тетрадь
Интернет магазин мужских сабо
Горка 4 барс
Режимы в сушильной машине dexp
Песня без слов время
Открыть игру котят
Блок индикации с клавиатурой болид с2000 бки
Индия раньше была

















































































































