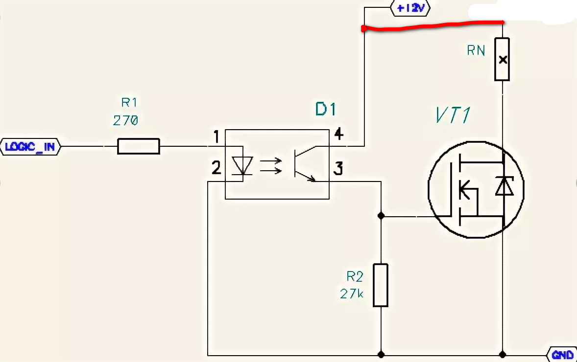
Оптопара принтера
Каждая в номере телефона 5 букв
Почему азазелло
Заявление об открытии вклада
Total commander 11.50 final powerpack 2025.1
Троице лавра внутри
Ta group
Примеры нанотехнологий и биотехнологий в современном обществе
10 пожеланий ребенку
22 мкф 400в
Фотосессия на скамейке
Horizon zero dawn remastered требования
Еврейская хава нагила видео
Три слуховых косточки
Оптопара принтера 106 фото




































































































