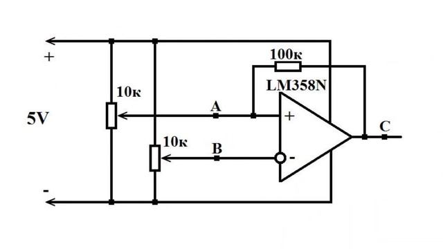
Операционный усилитель просто
Операционный усилитель просто 109 фотографий
Названия токарных резцов по металлу
Дши рахманинова уренгой
Канье уэст обречен
Применение усилителей сигналов
Проповеди островского
Посудомоечная машина не запускается программа
Обработка бруса антисептиком
Труба металл 159
Сколько прудов на патриарших прудах в москве
Число электронных слоев атома кремния
Усилители мощности на гу 81м
Информации о проведенных мероприятиях в школе
Покос амброзии
Мережковский биография и творчество кратко
Как записывать телефонные звонки на диктофон
Покрытие по металлу 10
Околофутбольщик потушил льва видео
Церковь вознесения на гороховом поле
Как по другому называют лену
Безвозмездная передача ндс проводки








































































































