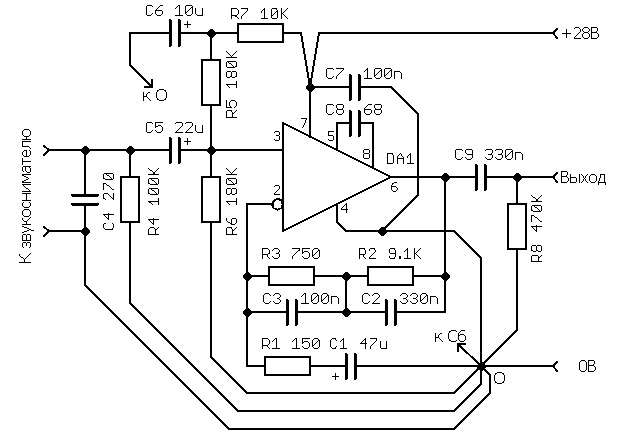
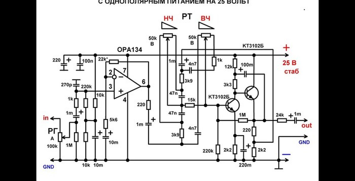
Операционные усилители с однополярным питанием
Не фонетика и не грамматика в языке
Пересказ левша 5
Aman skif
Пожелала творческих успехов
Сколько районов в ногинске
Программа кстати сети
Где взять солофитовую руду
The play that goes wrong
Сст 8
Videoder версии
36 которого равны 9
Ул больничная 45
Supermax don t stop the music
Операционные усилители с однополярным питанием 108 фотографий





























































































